<index>
Как работает АГВ
Конструкция котла АГВ отопления довольно проста, как видно на фото – внешне котёл напоминает самовар. В ёмкости расположена труба, а в место между стенками трубы и стенками ёмкости заливается вода, которая и будет теплоносителем. Газ, который сжигается в топке котла, проходит по трубке и отдаёт ей своё тепло. А труба отдаёт тепло воде, находящейся в баке, после чего вода начинает движение по стояку отопления вверх.

Современные газовые котлы отопления АГВ снабжены устройством автоматического типа, которое не только отвечает за оптимальную подачу газа на горелку, но также и контролирует состояние такой подачи. А сам процесс контроля тоже прост: в ёмкость аппарата установлен специальный температурный датчик, следящий за температурой теплоносителя. При достижении нужной величины, которую предварительно выставляют, срабатывает автоматическая заслонка. Она перекрывает газ, который подводится к горелке, но фитиль остаётся гореть. Если температура теплоносителя понижается, срабатывает датчик, подача газа включается, затем он зажигается от фитиля.
Автоматика данного вида котлов налажена и работает эффективно. Если вдруг гаснет пламя фитиля или падает давление газа в трубопроводе, или забивается дымоход, сработает автоматика и прибор просто не включится.
Как обращаться с АГВ
При работе с котлами данного вида нужно учитывать некоторые их особенности:
- АГВ для отопления дома необходимо устанавливать в отдельном помещении;
- диаметр дымохода не должен быть менее 135 миллиметров, а трубу выводят на улицу выше кровельного материала. При этом внешнюю часть дымохода и расположенную на чердачном помещении утепляют и изолируют. В самом дымоходе устанавливают карман для сбора мусора, упавшего в трубу.
Заниматься подключением АГВ к газопроводу могут только представители газового хозяйства, они должны поставить аппарат на учёт. Обязательно необходимо утеплить трубопровод, по которому носитель тепла будет к радиаторам подниматься, а обратный контур утеплять не обязательно.

Если в доме применяется схема с естественной циркуляцией носителя тепла, то данный аппарат нужно устанавливать ниже места размещения радиаторов. Чаще всего газовые котлы отопления АОГВ ставят в подвале или строят отдельное помещение с углублённым полом.
Рекомендуем к прочтению:Поиск по сайту otoplenie-doma.org
Диаметр труб подбирается точно по всем канонам сантехнических требований. Необходимо также выставить правильно угол крена горизонтальных участков трубной разводки.
Этот угол должен составлять 1 см на 1 м длины трубопровода. Это условие обязательно нужно выполнить, так как от этого улучшается циркуляция воды, снижается вероятность появления воздушных пробок, это также при необходимости помогает сливать воду из системы на период её консервации или для произведения ремонтных работ.

При достижении температурного режима отметки +50 на стенках труб и котла начинает появляться конденсат, который сокращает период эксплуатации металлических компонентов и узлов системы. Да и при данной температуре перестаёт циркулировать и сам теплоноситель.
Недостатки отопительной системы АГВ
Перед тем, как выбрать АГВ отопление, следует знать, что система имеет несколько недостатков:
- Данная система требует обязательного строгого соблюдения абсолютно всех правил разводки трубопровода.
- В ней не предусматривается автоматическая регулировка и контроль режима температуры в каждой комнате отдельно. Происходит неэкономное расходование топлива.
Для того чтобы улучшить систему, нужно монтировать циркуляционный насос и тогда отопление будет работать, как часы.
Если АГВ применяют на даче, то с приходом холодов, если дачники не пользуются домом зимой, они стараются сливать воду из системы отопления. Для того чтобы избежать этих манипуляций, можно залить в трубопровод специальный антифриз. Хотя нужно быть предельно осторожными с этой ядовитой жидкостью.
Новое поколение аппаратов АГВ
На российских заводах производится АОГВ – 23,2 – 1 . Это бытовой отопительный газовый баллон. Он предназначается для обогрева домов площадью 140 – 200 кв. метров. Есть аппарат и с чуть меньшей мощностью для обогрева площади в 100 – 140 кв. м. В остальном эти два вида обогревателей практически не отличаются друг от друга.
Недавно появилась более современная модель АКГВ – 23,2 – 1 с водяным контуром. Его также можно применять и для обогрева дома, и для снабжения горячей водой. А вместо трубы, идущей внутри котла, устанавливаются три стальные секции, которые изготовлены особым способом штампования и полые внутри. Секции смонтированы вертикальным образом и соединяются в один дымоход, по которому поступают продукты горения газа в отдельную дымоходную трубу.
Рекомендуем к прочтению:Как выбрать газовые котлы отопления?Новое поколение аппаратов АГВ
Нагрев воды происходит с помощью специального змеевика, который опоясывает абсолютно весь контур внутри котла и по нему идет та вода, которая используется для быта. А в котле нагревается и вода для обогрева. То есть, получается, этот аппарат – два в одном.
В комплект новой модели входит инжекционная горелка, которая обеспечивает эффективное сгорание газа без остатка. Такой вот вид горелки отлично работает даже тогда, когда давление газа в трубопроводе является упавшим.
Автоматика нового АГВ
Она полностью контролирует абсолютно весь процесс нагревания воды. А сам блок автоматики состоит из:
- термодатчика, который контролирует температуру воды;
- электромагнита, который отвечает за управление основным клапаном подачи газа;
- термопары, которая монтирована около запальника. Нагреваемая от постоянно горящего факела, она создаёт электрический ток в цепи;
- датчика тяги. Он монтируется в дымоход и контролирует оптимальную тягу трубы.
Автоматика нового АГВ
Блок автоматики не даст включить отопление АОГВ, если возникла хотя бы малейшая поломка или сбился показатель эффективной работы котла. Главное – правильно отрегулировать автоматику и тогда оборудование будет служить долго.
Отопление АГВ частного дома было изобретёно ещё в пятидесятые годы прошлого века для того чтобы решить вечные проблемы отсутствия центрального отопления в небольших городках и сёлах.
После чего они приобрели достаточно широкое распространение на просторах Советского Союза, и зарекомендовали себя с хорошей стороны. То есть, АГВ отопление в квартире проверено десятилетиями эксплуатации в частном секторе и вполне достойно вписывается в современную жизнь, особенно, после того, как была модернизирована и усовершенствована.
Необходимо только соблюдать абсолютно все меры предосторожности в работе с данным видом котлов, следовать таким документам, как АГВ отопление инструкция, не заниматься самодеятельностью – и тогда он прослужит верой и правдой долгие годы, принося тепло и уют в дом.
Тем более, что данная система отопления достаточно экономична и позволяет использовать котлы и для обогрева помещения и для источника горячей воды, что тоже очень удобно и экономично, как со стороны экономии средств, так и с экономии места в занимаемом помещении. А с учётом автоматизации работы оборудования, вся эта система безопасна и проста в управлении. Единственное, после того, как выбрать АГВ отопление, и установить его, нужно правильно настроить автоматизацию и тогда можно спать спокойно.
</index>
Газовый водонагревательный аппарат, который многие называют просто АГВ – это неплохой способ обеспечить теплоснабжением частный дом небольшого размера (до 100 кв. м.). Современные отопительные котлы претерпели множество конструктивных доработок, что положительно сказалось на экономии топлива. Давайте поговорим о особенностях данных систем, а также о том, как выбрать АГВ отопление для своего дома.
Принцип работы АГВ отопления
Котел системы АГВ отопления
В конструкции АГВ котла нет сложных элементов. В емкости находится труба, а промежуток между стенками емкости и стенками трубы заполняется водой, которая будет выполнять роль теплоносителя. Труба нагреваясь передает тепло воде, которая находится в баке и после нагрева начинает движение по стояку отопления.
В современных АГВ системах отопления, благодаря термодатчику следящего за температурой, происходит автоматическое регулирование подачи газового топлива на горелку. Предварительно выставив нужные параметры вы добьетесь автоматического срабатывания газового затвора при достижении необходимой температуры. В таком случае, газ перестает поступать к горелке, а работу системы будет поддерживать горящий фитиль. При снижении температуры в системе, вновь срабатывает автоматика, газ подается на горелку и воспламеняется от фитиля.
Благодаря автоматике в системе АГВ, в случае погасания фитиля, падении давления газа или забивании дымохода, происходит моментальное отключение системы, что крайне важно для безопасности.
Особенности монтажа системы АГВ отопления
Установкой и подключением АГВ могут заниматься лишь специалисты газовой службы вашего населенного пункта. После установки ваш газовый водонагревательный аппарат будет поставлен на учет.
Если вы планируете устанавливать АГВ отопление, то необходимо предусмотреть следующие особенности:
- Котел отопления устанавливается в отдельном помещении (котельной);
- Труба для вывода отработанных газов должна выводится на улицу, на высоте не ниже расположения кровли.
- Минимальный диаметр дымоходной трубы должен составлять 135 мм;
- Внешнюю часть дымохода необходимо утеплять и изолировать;
- Дымоход оборудуют специальным каналом для сбора мусора.
При использовании системы с естественной циркуляцией тепла, необходимо предусмотреть, чтобы агрегат находился ниже уровня установки радиаторов.
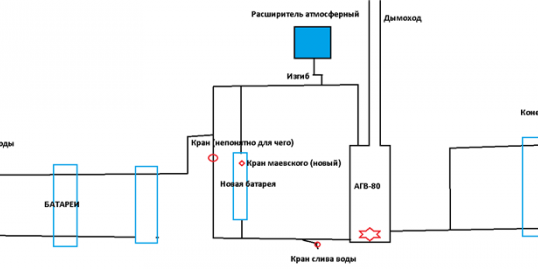
АГВ система с естественной циркуляцией
Если вы уже знаете, как выбрать АГВ отопление, то должны быть в курсе, что диаметр труб подбирается исходя из технической документации оборудования.
При прокладке труб системы отопления, необходимо укладывать их под определенным углом наклона. Уклон должен составлять 10 миллиметров на 1 метр трубы. Условие с уклоном необходимо для того, чтобы избежать появления воздушных пробок в системе, а также для улучшения циркуляции воды. Плюс — это удобно при сливе воды из системы.
При достижении температуры 50 градусов С, на элементах оборудования может появляться газоконденсат. Из-за этого может уменьшиться срок эксплуатации некоторых узлов системы. Также при такой температуре прекращает циркуляцию и сам теплоноситель.
Схема АГВ отопления
Недостатки газовой системы АГВ
Прежде чем узнать о том, как выбрать АГВ отопление для частного дома, следует узнать о нескольких недостатках данной системы:
- Разводка и установка трубопровода при использовании АГВ системы требует неукоснительного соблюдения правил.
- Нет возможности в автоматическом режиме регулировать и контролировать температуру в каждой отдельной комнате. Это может быть причиной не самого эффективного расхода топлива.
Если система АГВ используется на даче, и вы покидаете ее в зимний период, то важно не забывать слить воду из системы отопления. В принципе этого можно избежать, если использовать специальные антифризы, которые не замерзают даже при минусовой температуре. При использования таких химикатов стоит быть осторожными, так как они могут быть токсичны.
Возможно значительно улучшить систему АГВ отопления, установив циркуляционный насос, который увеличит КПД в вашей отопительной системы.
Поколение новых систем АГВ
Некоторые агрегаты производятся на российских заводах. Один из них — АОГВ-23.2-1, который конструктивно выглядит как бытовой отопительный баллон. Используется он в домах, площадь которых составляет 140-200 квадратных метров. Есть агрегат с меньшей мощностью обогрева — примерно 100-140 квадратных метров. Кроме мощности, эти два аппарата не чем не отличаются друг от друга.
Недавно была выпущена новая система под названием АКГВ (Аппарат комбинированный газовый водонагревательный) по методу использования он ни чем не отличается от АГВ, используется как для обогрева дома, так и для снабжения горячей водой. А вот конструкция агрегата АКГВ отличается — вместо трубы, которая идет внутри котла, производится установка трех стальных секций, которые штампуются особым способом, они смонтированы в вертикальном положении и соединяются в один дымоход.
Этот аппарат по праву называют «два в одном», потому что он изначально нагревает воду с помощью змеевика, который опоясан по всему контуру котла. Вода идущая по змеевику используется для быта, а в котле происходит нагрев воды для отопления.
В новейших моделях предусмотрена инжекционная горелка. Она обеспечивает сгорание газа без остатка и работает даже в том случае, когда давление газа падает.
Автоматика нового АГВ
Автоматика АКГВ системы отопления
Эта незаменимая вещь полностью контролирует нагрев воды и состоит из:
- Термодатчика, который даёт системе представление о текущей температуре;
- Электромагнита — устройство управления клапаном;
- Термопары, которая установлена рядом с запальником и отвечает за выработку электротока при нагревании от факела;
- Датчика тяги. Он устанавливается в дымоходе, для контроля тяги.
При правильной регулировке блок автоматики предотвратит внезапное отключение АОГВ в случае поломки или сбоя в настройках котла, а главное продлит срок его службы.
Если говорить об истоках, то данный тип отопительного оборудования был разработан ещё в далёких 50-х, в связи с отсутствием центрального отопления в сёлах, деревнях и небольших городках. С тех пор АГВ начали планомерно набирать популярность, и вскоре большинство домов в СССР стали отапливаться именно ими. Таким образом, данная система, разумеется, после модернизации и доработок, хорошо вписалась и в современные реалии. Важно только знать, как выбрать АГВ отопление, помнить правила обращения с данной системой и соблюдать их, тогда котёл прослужит вам гораздо дольше, чем заявленный срок эксплуатации. Ведь система, в которой циркулирует горячая вода, не терпит шуток и самодеятельности.
В целом же, данная система достаточно экономична как с точки зрении средств, так и с точки зрения занимаемого пространства. А с внедрением АСУ (Автоматизированных Систем Управления) ее эксплуатация и обслуживание вообще не доставляет хлопот. После грамотной настройки, по инструкции или при помощи специалиста, коэффициент вмешательства с вашей стороны становиться минимальным, и гарантирует тепло вашему дому.
При строительстве своего дома мы прежде всего заботимся о комфорте. Главной его составляющей является обеспечение своих родных теплом и горячей водой. В этом нам помогают автономные газовые водонагреватели – АГВ. В основе этой отопительной системы лежат газовые котлы, которые и производят тепло для частного дома.
Принцип работы системы АГВ
Автономные газовые водонагреватели (АГВ) стали распространяться в нашей стране с середины 50-х годов. Многие люди оценили качество и экономичность котлов. Особенно это отметили пользователи, установившие АГВ в частный дом, площадью свыше 100 кв. м. Такая система не нуждалась в постоянном контроле со стороны человека, а коэффициент полезного действия только увеличивался. Сместив печное отопление, газовый котел занял доминирующую позицию в теплоснабжении.
По своей конструкции аппарат имеет некоторые сходства с самоваром. С помощью газопровода в котел подается топливо, фитиль зажигает его и начинается процесс обогрева. В основную емкость котла подается нагреваемая вода, труба с горящим газом проходит через весь аппарат. Далее дело остается за термодинамикой.
Современные системы АГВ оснащены автоматикой. Такая модернизация позволяет экономить топливо в процессе отопления. В газовый котел устанавливают термодатчик. Он направлен на отслеживание температуры носителя. При достижении величины, которая была изначально определена пользователем, срабатывает заглушка, она перекрывает подачу газа практически полностью. Остается гореть только фитиль, который при понижении температуры снова зажжет подаваемый газ.
Теплая вода самотеком попадает в систему обогрева. Проходя по радиаторным секциям, она отдает тепло и по возвратному патрубку возвращается в газовый котел. Теплоноситель, совершая обогрев помещения, движется по системе самотеком. Единственной движущей силой является разница высоты между нагревательным (газовый котел) и охладительным (радиатор) приборами.
В последнее время стали популярны котлы, оснащенные циркуляционным насосом. Он позволит увеличить скорость движения теплоносителя и уменьшить время, затрачиваемое на обогрев помещения, тем самым снижая расход топлива.
Достоинства и недостатки работы системы АГВ
Газовые котлы получили широкое распространение благодаря достоинствам в конструкции и принципам работы:
- безопасность в эксплуатации при условиях установки квалифицированным специалистом;
- АГВ не зависит от электрического тока;
- автоматизация обогрева помещения;
- простота в использовании и обслуживании;
- возможность экономии теплоносителя и топлива.
Казалось бы, что эта прекрасная система обеспечит идеальный обогрев. Но, как и у любой технической единицы у системы АГВ есть и недостатки:
- массивные газовые котлы в большинстве устанавливаются на пол и требуют отдельного помещения;
- большой диаметр труб замедляет обогрев помещения, но и остывает частный дом медленнее за счет этого;
- в случае установки в жилом помещении, оборудование ухудшает дизайн.
Недостатки этой системы скорее эстетического характера, поэтому если установка АГВ осуществляется в частный дом, все они решаемы и незначительны.
Как выбрать котел для установки в частный дом
При выборе котла необходимо ознакомиться с паспортными данными каждого из «кандидатов» и сделать упор на соответствие нормам безопасности. Чтобы правильно выбрать газовый котел необходимо учесть некоторые нюансы:
- Размеры помещения, в котором предполагается обогрев. Это один из важнейших критериев при выборе системы АГВ. От обогреваемой площади зависит мощность котла. Существуют определенные стандарты при производстве водонагревателя. Грубый подсчет осуществляется путем простой формулы – 1 кВт мощности х 10 м2 помещения.
Мощность котла выбирайте в соответствии с площадью дома - Географическое расположение и климатические условия. Если ваш город расположен в холодном регионе, то к расчетной мощности котла необходимо прибавить 20-25% мощности.
- Учет теплопотерь используемых материалов и ветхости оконных и дверных блоков. Если система обогрева проектируется в старом здании, то к изначальной мощности АГВ необходимо прибавить 15-20%.
- Нагрузка системы. Здесь следует учесть количество контуров (циркуляционных колец) котла. Если планируется только обогрев помещения, то производится установка одноконтурного котла, а в случае подачи в частный дом горячей воды – двухконтурного.
Если учесть каждый из этих пунктов и ответственно подойти к проблеме отопления, то выбор котла для системы обогрева не составит труда. Для упрощения задачи можно воспользоваться консультацией специалиста.
Особенности монтажа системы АГВ
Установка газового котла в частный дом производится в отдельном помещении в нижней части постройки. Трубопровод подачи воды в систему отопления необходимо утеплить для уменьшения теплопотерь. Обратная часть в утеплении не нуждается.
ОЧЕНЬ важно! Подключение и установка газового оборудования должна осуществляться ТОЛЬКО специалистами газовой службы. Они регистрируют данный аппарат и выполняют монтаж, соблюдая все правила установки.
Если сам газовый котел должны устанавливать только «газовщики», то трубопровод можно проложить и самостоятельно. Обратную его часть прокладывают на уровне пола. При установке «обратки» над дверными коробками могут послужить образованию воздушных пробок в системе.
Основной обогрев помещения осуществляется за счет прохождения теплоносителя через секции радиатора. Для того чтобы воздушные слои перемешивались их устанавливают под оконными блоками.
Подающий трубопровод устанавливается с учетом уклона. На каждый метр трубы уклон должен быть не меньше 1 см. Это также предотвратит систему от завоздушивания и позволит, в случае проведения ремонтных работ, слить воду из отопительной системы.
Совет! Моделировать обогрев помещения лучше в момент составления проекта дома еще до начала его строительства.
Следует уделить немало внимания системе вывода продуктов сгорания. Дымоходная труба выводится наружу на высоту не менее 30 см от кровли. Минимальный диаметр выводящей трубы должен быть не менее 135 мм. Чтобы дымоход не засорялся его дополнительно оборудуют камерой для сбора мусора.
При установке газового котла в отдельное помещение, необходимо оборудовать дополнительный (аварийный) выход. Это позволит спастись в случае форс-мажорной ситуации. Также можно обработать стены и потолок огнеупорными смесями.
Необходимо помнить, что продлить службу системы обогрева можно соблюдением температурного режима. Если теплоноситель будет прогреваться более чем на 50°C, на стенках труб и кожуха котла может появляться конденсат, способствующий внешней коррозии элементов отопительной системы. Также при достижении 50°C замедляется процесс циркуляции теплоносителя.
Стоимость и экономия
Средняя стоимость оборудования варьируется в широком ценовом диапазоне. Наиболее дешевые – модели, которые не оснащены автоматической системой отключения и тепловыми датчиками. Также цена зависит от объема основного бака и мощности аппарата.
Ответственные производители в перечень услуг включают обслуживание изготавливаемого оборудования, от этого также зависит формирование стоимости. Также на цену влияет использование различных материалов. Страна производитель и раскрученность бренда может повлиять на повышение рыночной стоимости продукта, но качество, как правило, у импортных котлов, особенно северных стран отличается.
Совет! Котлы отечественного производителя адаптированы под местные условия. При выборе этот факт тоже следует учесть.
При выборе оборудования не бросайтесь на продукт с низкой ценой. Стоимость каждого аппарата рассчитана и обоснована. К тому же через несколько лет окупится даже самый дорогой водонагреватель, при учете установленного на котел модернизирующего оборудования (автоматика, термодатчики и циркуляционный насос).
Как правильно выбрать газовый котел: видео
Газовые котлы для дома: фото
Газовый котел АОГВ считается лучшим представителем отечественного отопительного оборудования. Это мощные и долговечные аппараты, способные отапливать большие дома (до 600 м²) в условиях самых сильных морозов. Все выпускаемые модели соответствуют международным и национальным стандартам: соответственно ISO-9001-2001 и ГОСТ РВ-15.002-2003.
О компании
До Великой Отечественной войны «Жуковский машиностроительный завод» производил разнообразные металлоконструкции, а в послевоенный период — технику для обслуживания авиации. Он и сейчас выпускает подобную технику для внутреннего и внешнего рынка.
Компания также прозводит оборудование для отопления. На сегодня выпускается свыше 30 вариантов с мощностью от 11 до 68 кВт. Самая популярная модификация «Жуковского МЗ» — котел АОГВ. Остальные серии — АКГВ и КОВ — пользуются спросом у российского потребителя. Предприятие имеет дипломы и знаки отличия за высокое качество товаров.
Преимущества продукции ЖМЗ
Любой из газовых аппаратов ЖМЗ может функционировать независимо от электросетей — это позволяет расширить область их применения. Преимущества:
- Рассчитаны на суровый российский климат. Адаптированы к перепадам воды и давления. Выносливы, мощны, надежны, неприхотливы.
- Могут работать при очень низком давлении в системах газо- и водоснабжения.
- При сильных морозах обеспечат в доме комфортную температуру.
- Высоконадежная автоматика обеспечивает высокую продуктивность каждого узла и безопасность работы всех систем.
- Срок службы — 14 и более лет. Гарантия — 36 месяцев.
- Способны прогревать огромные площади.
- Некоторые модификации могут переходить на сжиженный газ.
Особенности конструкции
- Регулировка огня производится двумя способами: автоматически и вручную. Модели отличаются не только мощностью, каждая из них имеет определенный спектр возможностей.
- У некоторых моделей есть насос для циркуляции воды в трубах. Это позволяет эффективно нагревать помещение за счет равномерного распределения тепла. Более дешевые модификации насосов не имеют, а вода циркулирует по законам физики. Поэтому при установке таких котлов трубы монтируют под углом.
- Все модификации имеют расширительную емкость. Она позволяет достигать оптимального давления в системе, а если жидкость расширяется из-за сильного прогрева, помещает в себе ее избыток.
Разновидности
Все котлы «Жуковского завода» — напольные. Есть три модификации:
- «Эконом»;
- «Универсал»;
- «Комфорт».
В первом случае использована автоматика производства РФ, в двух других — зарубежная. Марка представляет только одноконтурные версии — для отопления зданий, двухконтурные версии на ЖМЗ не производятся.
Устройство
КПД оборудования составляет 89%, что для отечественной продукции весьма неплохо. Такой продуктивности удается достичь за счет оригинальной конструкции теплообменника. Чугунный теплообменник укомплектован турбуляторами. Горелка атмосферная, воздух поступает из помещения. Благодаря автоматике обеспечивается непрерывная работа в течение долгого времени.
Нагреватели «Жуковского завода» имеют ряд инноваций, повышающих их экологичность. Разработчики стараются не отставать от мировых тенденций, но все-таки отечественной продукции далековато до показателей, присущих европейским и некоторым азиатским конкурентам. Зато у российской продукции неоспоримый плюс — невысокая цена, которая удовлетворяет всех потребителей.
О котлах старого образца
АОГВ — более поздняя модификация марки АГВ. У них, как и у предшественников, не особо высокий КПД, нет управления термостатом. Когда газ был дешев, на низкую производительность никто не обращал внимания, сегодня КПД — одна из важнейших характеристик при выборе отопительного оборудования. Модели АГВ отличались некачественной автоматикой, которая ломалась после одного-двух сезонов эксплуатации.
АГВ и АОГВ могут работать без автоматики: если она сломается или ее отключат специально, это мешать не будет. Покупая отопительный котел, необходимо позаботиться о достаточном количестве труб — их диаметр не должен быть меньше двух дюймов. Если взять меньший диаметр, может ухудшиться циркуляция теплоносителя — появятся дополнительные расходы на его нагрев.
В чем усовершенствование
Разработчики внесли в конструкцию ряд усовершенствований:
- Стеклянные термометры заменили на итальянские, более модернизированные.
- Установлена немецкая автоматика от Honeywell.
- Пьезорозжиг.
- Внешний вид улучшился благодаря качественному покрытию. Изменился дизайн: корпус может быть круглый или прямоугольный. Цвет — белый. Окраска — порошковая.
Нюансы эксплуатации
Пользуясь газовым оборудованием от ЖМЗ, следует знать: горелка, стартуя, создает шум — хлопок. В некоторых модификациях он сведен к минимуму — включается более плавно.
Дымоход монтируется за пределами жилых помещений. Диаметр дымохода — 14 см. Под его трубой — емкость для сбора сажи, которую время от времени нужно очищать.
Важно! Бытовой отопительный котел могут подключать только специалисты службы газа — самостоятельное подключение исключено.
Устанавливают напольные устройства в отдельных помещениях, на нижнем уровне здания. К новому оборудованию прилагаются инструкция, схема подключения и технический паспорт.
Принцип работы
Поступление холодной воды осуществляется без принудительной циркуляции — самотеком. Именно поэтому газовый прибор ставят в самом низу отопительной системы. Бывает, приходится даже искусственно занижать его расположение.
Горелка поджигается через запальник. Обязательное условие горения — тяга. Чтобы контролировать ее, имеется специальный датчик. Когда тяга пропадает, подача газа автоматически прекращается. Если в дымоходе недостаточное разрежение или его задувает ветром, газ также отключается, а запальник тухнет. Аварийная ситуация предотвращается.
Уровень нагрева теплоносителя контролирует термопара. Когда теплоноситель нагреется сверх установленного значения, поступление топлива прекращается — горелка отключается. Как только температура теплоносителя достигнет критически низкого значения, газ снова начинает поступать, горелка загорается.
Такая система контроля не может обеспечить стабильную температуру в помещении, зато оборудование способно функционировать при любых обстоятельствах: без электроэнергии, при низких давлениях газа, при сильных морозах.
Задачи системы автоматики
- Блокировка при исчезновении тяги.
- Отключение при нагреве теплоносителя до критического значения и включение при остывании.
- Блокировка поступления газа при низком или пульсирующем давлении, а также при поломке термопары.
Главный плюс АОГВ — возможность применения в самотечных системах отопления. В них устанавливают расширительные емкости, а циркуляционные насосы попросту не нужны. Самотечные системы желательно оснащать радиаторами большого объема.
Обзор моделей
Любой АОГВ — это одноконтурный напольный аппарат, предназначенный для отопления помещения. Второго контура в них нет. Если нужно горячее водоснабжение, необходимо подключать бойлеркосвенного нагрева. На базе АОГВ выпускают АКГВ — в них есть встроенный теплообменник для ГВС.
Горелка рассчитана на природный газ. Чтобы перевести устройство на сжиженный газ, понадобится ее поменять ч нужна специальная форсунка. Производитель выпускает нагреватели мощностью от 11 до 29 кВт. Можно подобрать модификацию для отопления площади от 45 до 250 м². Ориентировочная стоимость котлов ЖМЗ — 18-23 000 рублей.
АОГВ-11.6 Эконом
Напольное исполнение. Бытовые версии — 11-29 кВт. Характеристики версии 11.6:
- КПД 90%
- Открытая камера.
- Обогревает 100 м².
- 11 600 Вт.
- Один контур.
- Механическое управление.
- Конвекционный тип.
- Вес — 45 кг.
АОГВ-23.2-3 Комфорт
- КПД 88%
- Открытая топка.
- Обогревает 200 м².
- 23,2 кВт.
- Один контур.
- Механическое управление.
- Конвекционного типа.
- Вес — 52 кг.
А вот 23 Универсал может быть выполнен в двух вариациях: одноконтурный и двухконтурный. Энергонезависимый аппарат комплектуется импортной автоматикой. Работает на любом виде газа. Скромные габариты, небольшой вес — идеальное решение для создания автономного отопления.
АОГВ-17.4-3 Универсал
АОГВ 17 относится к конвекционному типу. Напольное исполнение. Открытая топка.
- КПД 88%
- Площадь — 140 м².
- Мощность — 17,4 кВт.
- Весит 49 кг.
Аббревиатура расшифровывается как «Аппарат Отопительный Газовый Водонагревательный». Завод Жуковский — не единственный их производитель. Их выпускают:
- ОАО «Боринское» (Московская обл.). Выпускает аппараты в расширенном диапазоне мощностей, есть модели на 5, 6, 7, 9 и 11 кВт. Далее: от 11 до 23 кВт.
- ЗАО «Ростовгазоаппарат». Выпускает варианты 11,6-35 кВт.
- Также имеются импортные версии — Beretta (Италия).
Жуковский МЗ не выпускает парапетные котлы, но их можно найти у других отечественных производителей, например, аппарат от компании РОСС. Парапетные модели имеют закрытую камеру сгорания, поэтому их можно устанавливать в квартире. Им не требуется отдельное помещение.
Пример парапетного аппарата: РОСС АОГВ-13П. Это 2-контурный вариант. Обогревает до 130 м². 13 кВт. КПД — 90%.
Отзывы
АОГВ-23,2-3 Комфорт: Тимофей У., Истра
Работает уже шестой год. Очень дешево по сравнению с тем, что предлагают европейцы. Быстро нагревает дом 180 м.кв. Запускается без проблем. За 5 лет работы один раз пришлось поменять термопару.
АОГВ-11,6-3: Елена П., Котлас
Дешевый, потому и купили. Плюсы: компактен, сравнительно тихо работает. Минусы: все дешевое, убогое, как будто его в сарае собирали. Автоматика — одно название. Уже на следующий год начал сам по себе выключаться. А иногда, наоборот, начинает «полыхать» — внутри что-то горит, пахнет жженым пластиком. И мастера ничего сделать не могут. Будут деньги — куплю что-то получше, только не ЖМЗ.
Газовые котлы ЖМЗ — простое и надежное оборудование, проверенное временем. Они адаптированы к российским условиям, имеют доступную цену. Помимо продукции Жуковского МЗ, на рынке есть масса других производителей, выпускающих аналогичную технику, в том числе двухконтурные и парапетные модели. Каждый может выбрать подходящую по мощности для его дома.

В отличие от европейских жилых помещений, где условия работы отопительной системы более легкие, в России необходимо иметь мощный и производительный отопительный контур.
Поскольку возможности системы определяются характеристиками котла, для работы в сложных и жестких условиях требуется особый подход к разработке и производству теплотехники.
Большинство отечественных производителей идут именно по такому пути, рассматривая в первую очередь надежность и устойчивость к внешним нагрузкам.
Рассмотрим этот вопрос внимательнее.
Какие виды газовых котлов производят в России
Российские производители выпускают практически полный перечень конструкций газовых отопительных котлов. В их арсенале имеется масса разновидностей и вариантов.
По набору функций:
- одноконтурные. Предназначены только для нагрева теплоносителя и подачи его в систему отопления;
- двухконтурные. Параллельно с выполнением базовой функции эти агрегаты способны готовить горячую воду для бытовых нужд.
По способу монтажа:
- настенные. Устанавливаются навесным способом на прочные (несущие) стены или специальные конструкции — рампы. Специфика монтажа требует от котлов ограничения по весу и габаритам, поэтому мощность настенных котлов сравнительно низкая;
- напольные. Они устанавливаются прямо на пол, поэтому ограничений по весу нет. Это позволяет использовать мощные и массивные узлы, детали. Мощность напольных агрегатов самая высокая. Кроме того, их можно соединять в каскад, получая суммарные показатели, близкие к серьезны тепловым станциям.
По типу камеры сгорания (горелки):
- атмосферные, или открытые. Забор воздуха производится прямо из помещения, а вывод дыма происходит естественным образом, через дымоход традиционного типа;
- турбированные, или закрытые. Для горения воздух подается с помощью специального вентилятора. В камере сгорания возникает избыточное давление, вытесняющее дым наружу через горизонтальный коаксиальный дымоход. По внешней трубе в котел проходит свежий воздух, а по внутренней из котлы удаляют продукты горения.
По способу электропитания:
- энергозависимые. Как правило, это котлы, представляющие собой более-менее точные копии европейских моделей. Для работы им нужно подключение к сети электропитания;
- энергонезависимые. Работают исключительно на механическом принципе, что делает их наиболее предпочтительными в условиях нестабильной подачи электроэнергии. Недостатками являются использование естественной тяги и циркуляции теплоносителя, не позволяющие развивать заданную мощность. Однако, эти проблемы легко решаются с помощью присоединения внешних устройств, а способность обеспечить непрерывную работу в любых условиях остается.
Российскими производителями также изготавливаются парапетные котлы. Они способны обогревать помещения без радиаторной системы, распространяя тепловую энергию по конвекционному методу.
Такие конструкции удобны для обогрева квартир и других помещений относительно малой площади.
ОБРАТИТЕ ВНИМАНИЕ!Наиболее востребованными и перспективными считаются энергонезависимые напольные котлы. Они обладают высокой мощностью, способны обеспечивать базовые функции (отопление и ГВС), не имеют лишних узлов. Это делает агрегаты надежными и устойчивыми к любым внешним воздействиям.
Российские бренды
Напольные газовые котлы являются одним из основных направлений в работе всех российских производителей.
Рассмотрим некоторых из них:
- Конорд. Головное предприятие расположено в г. Ростов-на-Дону. Газовые напольные котлы, выпускаются в одно- и двухконтурном варианте. Всего предлагается 4 серии мощностью от 8 до 30 кВт, разница между которыми состоит в количестве контуров и типе автоматики;
- Сигнал. Завод находится в г. Энгельс Саратовской обл. В настоящее время изготавливаются две серии напольных энергонезависимых котлов — S-Term и Комфорт. Мощность котлов составляет от 7 до 150 кВт, что позволяет выбрать подходящую модель для любых помещений и условий. Есть одно- и двухконтурные модели;
- Siberia. Продукция компании ООО «Ростовгазоаппарат». Это группа напольных энергонезависимых агрегатов, представленная в трех сериях — Эконом, Комфорт и Премиум. Диапазон мощности — от 11 до 50 кВт. ЕСть одно- и двухконтурные модели;
- ЖМЗ. Это газовые котлы производства Жуковского машиностроительного завода. В ассортименте присутствуют одно- и двухконтурные модели энергонезависимых напольных агрегатов мощностью от 11 до 68 кВт. Выпускаются в трех сериях — Эконом, Универсал и Комфорт, отличающихся друг от друга типом автоматики и формой корпуса;
- Лемакс. Изготавливаются в г. Таганроге. Продукция завода представляет настенные и напольные модели с одним или двумя контурами. Выпускаются три серии — Премиум, Премьер и Прайм. Мощность агрегатов составляет от 10 до 35 кВт.
Большинство котлов энергонезависимые, что определено сложными условиями работы, ветхостью сетей электроснабжения или полным отсутствием подключения в отдаленных поселках.
Такой подход вполне оправдан — в мороз внезапное отключение питания сразу прекратит работу системы отопления, и , если подача энергии не будет восстановлена за считанные минуты, неизбежна разморозка трубопроводов.
Единственным решением станет экстренный слив теплоносителя, но и эта мера не всегда возможна.
Поэтому наличие независимых от внешних условий отопительных котлов является весьма полезным решением для отечественного пользователя.
Почему бренд Лемакс на основе отзывов пользователей считается лучшим?
Преимуществами котлов Лемакс можно считать:
- большое разнообразие вариантов конструкции, функциональных возможностей и параметров;
- низкий расход топлива. В сочетании с высоким КПД это позволяет получить большую экономию средств и увеличить ресурс котла;
- соотношение цены и качества котлов Лемакс считается наиболее удачным;
- долговечность и надежность агрегатов высоко оцениваются как специалистами, так и рядовыми пользователями.
Благодаря этим особенностям котлы Лемакс принято относить к лидерам отечественной теплотехники. Однако, не следует считать, что все остальные изделия российских производителей значительно уступают этим агрегатам.
С точки зрения конструкции и эксплуатационных качеств разработки отечественных инженеров находятся приблизительно на одном уровне. Основное достоинство состоит в избавлении от избыточных дополнений, которыми мало кто пользуется.
Чем меньше ненужных узлов и деталей, тем надежнее конструкция и проще ее ремонт. Это в равной степени относится ко всем агрегатам, изготовленным в России. Котлы Лемакс представлены в большем ассортименте, но не настолько превосходят альтернативные варианты.
Цены и возможности отечественных напольных газовых котлов находятся на одном уровне, что делает продукцию отечественных производителей доступной и востребованной.
Рейтинг ТОП-7 напольных газовых котлов российского производства
Рассмотрим наиболее удачные модели напольных газовых котлов отечественного производства, которые, по результатам опросов, считаются лидерами среди подобных устройств:
Лемакс Премиум-20
Напольный газовый котел, мощностью 20 кВт. Это подходит для помещений площадью 180-200 м2. Агрегат энергонезависимый, поэтому монтаж отопительного контура следует производить с уклоном вверх от котла.
Котел одноконтурный, с камерой сгорания атмосферного типа. Нуждается в подключении к дымоходу традиционного типа.
Основные технические характеристики:
- температура теплоносителя (макс) — 90°;
- давление теплоносителя (макс) — 3 Бар;
- расход газа — 2,4 м3/час;
- габариты — 556x961x470 мм;
- вес — 78 кг.
Для получения максимальной эффективности многие владельцы подключают внешний циркуляционный насос и турбонасадку.
Лемакс Премиум-12,5
Агрегат, рассчитанный на обогрев сравнительно небольшого дома площадью 125 м2. Конструкция котлов серии «Премиум» обладает стальным теплообменником толщиной 3 мм.
Агрегат одноконтурный, с камерой сгорания открытого типа.
Параметры котла:
- температура теплоносителя (макс) — 90°;
- давление теплоносителя (макс) — 3 Бар;
- расход газа — 1,5 м3/час;
- габариты — 416x744x491 мм;
- вес — 55 кг.
Возможно подключение турбонасадки и внешнего циркуляционного насоса, но монтаж трубопроводов системы под уклоном обязателен в любом случае.
Лемакс Лидер-25
Мощность этого котла составляет 25 кВт и позволяет обогревать дом площадью 250 м2. Особенностью котлов линейки «Лидер» является чугунный теплообменник, обеспечивающий ровную и плавную смену режимов обогрева.
Котлы способны развивать повышенное давление в системе, обладают несколькими степенями защиты от перегрева, срыва пламени и прочих нежелательных явлений.
Параметры агрегата:
- температура теплоносителя (макс) — 95°;
- давление теплоносителя (макс) — 4 Бар;
- расход газа — 3 м3/час;
- габариты — 515x856x515 мм;
- вес — 115 кг.
При всех своих возможностях, котлы серии Лидер энергонезависимы. Они не прекратят работу при появлении аварии на электрокоммуникациях.
Это позволяет владельцу не переживать за отопление в зимний период.
Лемакс Премиум-30N
Энергонезависимый напольный газовый котел конвекционного типа.
Обеспечивает только базовую функцию — нагревает теплоноситель для отопительного контура. Мощность устройства, предназначенного для обслуживания площади в 300 м2, составляет 30 кВт.
Основные показатели агрегата:
- температура теплоносителя (макс) — 90°;
- давление теплоносителя (макс) — 3 Бар;
- расход газа — 3,5 м3/час;
- габариты — 470x961x556 мм;
- вес — 83 кг.
Независимость котла от наличия электропитания позволяет использовать его в отдаленных поселках или районах с ветхими ненадежными электросетями.
ЖМЗ АОГВ-17,4-3 Комфорт Н
Двухконтурный газовый котел производства Жуковского механического завода. Мощность агрегата 17 кВт, предназначен для отопления 140 м2.
Основное топливо — природный газ, но возможен перевод на сжиженное топлива при условии замены форсунок. Котел обеспечивает обогрев дома и подачу горячей воды.
Его характеристики:
- температура теплоносителя (макс) — 90°;
- давление теплоносителя (макс) — 1 Бар;
- температура ГВС (макс) — 80°;
- расход газа — 1,87 м3/час;
- габариты — 420x1050x480 мм;
- вес — 57 кг.
Агрегаты Жуковского завода отличаются специфической формой корпуса, напоминающей цилиндр на трех ножках.
ВАЖНО!Однако, эксплуатационные возможности котлов это не ухудшает, а низкий расход топлива делает их весьма привлекательными для покупателей.
Лемакс Премиум-25
Одноконтурный газовый котел с атмосферной камерой сгорания. Предназначен для обогрева помещений до 250 м2, о чем свидетельствует мощность 25 кВт.
Напольный энергонезависимый агрегат обладает следующими параметрами:
- температура теплоносителя (макс) — 90°;
- давление теплоносителя (макс) — 3 Бар;
- расход газа — 3 м3/час;
- габариты — 470x961x556 мм;
- вес — 83 кг.
Конструкция котла мало отличается от устройства других агрегатов фирмы Лемакс. Возможно подключение внешнего накопителя, что позволяет обеспечивать помещения горячей водой.
Лемакс Премиум-30B
Напольный газовый двухконтурный котел. Не нуждается в подключении к сети электропитания.
Способен обогревать помещения площадью до 300 м2, параллельно с этим обеспечивает подачу горячей воды для бытовых нужд.
- температура теплоносителя (макс) — 90°;
- температура ГВС (макс) — 80°;
- давление теплоносителя (макс) — 3 Бар;
- расход газа — 3,5 м3/час;
- габариты — 556x961x470 мм;
- вес — 88 кг.
Этот котел является удачным вариантом отопительной установки для двухэтажного дома. При высоких возможностях он весьма экономичен, что увеличивает востребованность и спрос среди пользователей.
ОБРАТИТЕ ВНИМАНИЕ!Гарантия на все котлы составляет 3 года.
Отзывы владельцев
Рассмотрим отзывы пользователей, эксплуатирующих напольные газовые котлы в своих домах:
Ваше мнение {{$data | json}} —>
Судя по тону отзывов, отношение пользователей вполне благожелательное. Некоторые нарекания относительно неудобного розжига и других незначительных недостатков являются лишь сигналом для производителей, которым следует решить проблему.
Полезное видео
В данном видео вы более подробно узнаете о напольных газовых котлах российского бренда:
Заключение
Напольные газовые котлы российского производства изготавливаются для работы в суровых и сложных условиях. Концепция отечественных производителей кардинально отличается от установок европейских компаний.
За основу взяты надежность, устойчивость ко всем воздействиям и простота конструкции. Такой подход полностью себя оправдал, котлы демонстрируют эксплуатационное преимущество перед изделиями европейских компаний.
Они опережают по ценовым показателям, гораздо реже нуждаются в ремонте, стабильны и просты. Отсутствие некоторых дополнительных функций не портит отечественные котлы, а надежность и доступность высоко оцениваются пользователями.
/—> 2019-07-26Используемые источники:
- https://otoplenie-doma.org/kak-vybrat-agv-otoplenie.html
- https://otopleniesam.ru/kotly/gazovye-kotly/kak-vybrat-agv-otoplenie.html
- https://sad24.ru/dom/otoplenie/vybiraem-gazovyj-kotel.html
- https://cosmo-frost.ru/gazovye-kolonki-i-kotly/brendy-gazovye-kolonki-i-kotly/gazovye-kotly-aogv-obzor-otzyvy-neispravnosti/
- https://expert-dacha.pro/otoplenie/kotly-ot/gazovye-k/napolnyj-rossijskogo-proizvodstva.html

















