Здравствуйте, дорогие читатели! Монтаж труб отопления — ответственный и многоуровневый процесс, требующий определенных знаний. Если вам интересна тема оснащения жилища эффективным отопительным комплексом — это статья для вас! Наша цель рассмотреть основные виды используемых при этом труб, ознакомится с применяемым инструментом, избежать характерных ошибок, основываясь на опыте мастеров.
Выбор труб
Специфика работы отопительных контуров определяет и характеристики используемых магистралей. Именно трубопроводы обеспечивают надежное соединение всех устройств и элементов, образуя единую систему.
Трубы для отопительных контуров различаются по фирме-производителю, сырью изготовления, и целому ряду технических параметров. При производстве труб для тепловых сетей могут быть использованы различные конструкционные материалы и их комбинации, однако принято выделять несколько их основных видов.
Пластиковые
При производстве пластиковых магистралей могут использоваться различные виды полимеров: полиэтилен, полипропилен, полибутен, поливинилхлорид и другие инновационные пластификаты на основе полиофинелов. Использование полимерных трубопроводов оправдано лишь в низкотемпературных контурах низкого давления.
Чтобы придать пластиковым компонентам необходимые прочностные характеристики, для их производства обычно используется полимеры в сочетании с какой-нибудь армирующей составной частью.
Полипропиленовые
В большинстве термосистем используются армированные полипропиленовые трубы. Это связано с тем, что полипропилен имеет относительно высокий коэффициент линейного расширения при нагревании. Основными армирующими компонентами выступают алюминиевая фольга и стекловолокно. Главной целью армирования являться предотвращение деформации трубопроводов при нагреве. Кроме того, нет необходимости в большом количестве компенсаторов на протяженных участках.
Алюминиевая сплошная или перфорированная фольга между слоями полипропилена отлично защищает тепломагистраль от разрушения под воздействием кислорода и значительно увеличивает срок ее службы.
Сшитый полиэтилен
Еще одной разновидностью пластмассовых трубопроводов являются каналы теплоносителя из сшитого полиэтилена. Свое название полимер получил из-за метода производства, при котором происходит процесс сшивки звеньев молекул этилена.
Трубы из сшитого полиэтилена получили обозначение PEx и расшифровывается как: PE – полиэтилен, а индекс «x»указывает на сшивку. Секции из сшитого полипропилена хорошо гнутся и устойчивы к механическим нагрузкам, поэтому их часто используют при прокладке скрытых отопительных контуров теплых полов.
Стальные
Трубопроводы из стальных труб уступают место более прогрессивным и менее затратным видам организации систем отопления. Однако, практически все многоквартирные дома, производственные и административные здания старой постройки имеют системы отопления, базирующиеся на трубах из металла.
Стальные компоненты теплосетей выдерживают сравнительно высокие давления и температуры, поэтому в некоторых случаях без их применения не обойтись.
В частных домах они используются реже, но отлично подходят для прокладки магистральных трубопроводов.
Какие трубы лучше
Однозначно ответить на вопрос, какой материал лучше невозможно. Все зависит от параметров конкретного отопительного контура и возможностей застройщика. Если проектирование и сборку всей отопительной системы лучше доверить экспертам в этой области, то монтировать небольшие участки из полиэтиленовых труб можно и самостоятельно. К неоспоримым преимуществам полимерных конструкций можно отнести:
- простоту технологии соединения деталей;
- отсутствие необходимости в использовании дорогостоящего и громоздкого оборудования;
- гладкую внутренний поверхность;
- возможность использования в качестве теплоносителя воды и различных антифризов, практически не вступающих в реакцию с полипропиленом;
- низкую стоимость и долгий срок службы.
Стальные трубы отличаются в лучшую сторону:
- устойчивостью к высоким температурам, давлению, воздействию ультрафиолета и механическим нагрузкам;
- низким коэффициентом удельного расширения;
- возможностью непосредственного нанесения резьбы.
Способы монтажа
Стыковка труб из различных материалов имеет свои особенности и нюансы. Для соединения стальных труб применяются электрические или газовые сварочные аппараты. Изделия из полипропилена соединяются методом диффузионной сварки, химического склеивания (холодная сварка), и резьбовых фитингов.
Самым надежным и недорогим способом подсоединения полипропиленовых элементов является диффузионная сварка (пайка) при помощи электрического паяльника.
Какой способ лучше?
Сборка систем на металлических трубах и проведение сварочных работ требуют использования достаточно габаритного оборудования и специальных навыков. Пайка и прокладка пластиковых магистралей значительно проще и провести отопление с их помощью по силам даже аматорам, предварительно изучив вопрос по многочисленным фото- и видеоматериалам, во множестве представленных в интернете.
Сборка своими руками
Крепление труб отопления по несущим конструкциям (открытым способом) при помощи специального крепежа можно произвести достаточно быстро самостоятельно при проведении ремонта.
Довольно часто разводка требует штробления стен с закладкой трубопроводов в подготовленные углубления. Такой метод чаще применяется на этапе строительства.
Необходимые инструменты и материалы
С целью прокладки отопления могут использоваться сварочные генераторы, различные виды паяльников, наборы разводных ключей, герметизирующие материалы для резьбовых соединений (пакля, фумлента, паста). Для соединения металлопластиковых частей и труб из сшитого полипропилена могут потребоваться специальные инструменты для обжимных элементов. Самым бюджетным способом прокладки труб отопления является соединение полипропиленовых труб. Из специального оборудования требуется только паяльник с насадками 20-го, 25-го, и 32-го размера, который можно приобрести рублей за 1000—1500.
При использовании труб, армированных фольгой, для зачистки торцов может понадобится шейвер, стоимость которого не превышает 700 рублей.
Чертеж и схемы
Отопление всегда разводится на основе предварительных расчетов с составлением планов и схем. Проектировка определяет все последующие технологические операции, поэтому к этому этапу следует отнестись с особым вниманием.
На этапе проектирования необходимо определиться со схемой разводки, которая может быть одно- или двухтрубной, горизонтальной или вертикальной, тупиковой или со встречным движением теплоносителя. Довольно популярной в малоэтажном строительстве является схема разводки, получившая название «ленинградка».
Порядок выполнения работ
Все работы по монтированию должны производится поэтапно. Каждому этапу соответствует определенная подготовка, включающая расчет, приобретение деталей, и разметку соединяемых элементов. Для соединения полипропиленовых тепловых секций необходимо:
- нарезать и зачистить части трубопровода необходимой длины и подготовить фитинги;
- установить на паяльник насадку необходимого диаметра;
- разогреть паяльник до температуры 260 град. Цельсия;
- на несколько (от 5 до 9 сек) секунд поместить трубу и соединяемый элемент на соответствующую насадку с целью расплавления слоя полиэтилена;
- совместить элементы и сжать до «схватывания» при остывании;
- соединить секции с установленным тепловым оборудованием, произвести жесткое фиксирование при помощи крепежа.
Видео по монтажу
А вот несколько хороших видеороликов с примерами работы мастеров:
Особенности монтажа
При установке труб различного диаметра важно важно избегать соединений, в которых затруднено движение теплоносителя и соблюдать расстояние между трубами. В остальном все зависит от проекта, характеристик оборудования и используемых компонентов.
Главные ошибки
Все этапы организации теплоснабжения должны производится с предельной тщательностью.
Пайку полипропиленовых соединений требуется производить при рекомендованной температуре, что гарантирует получения соединений с необходимыми характеристиками. Несоблюдение этих условий может привести к необходимости полной переделки системы.
Советы мастеров
Несколько простых советов, соблюдение которых обеспечит эффективную работу теплового оборудования:
- не экономьте на стоимости труб, фитингов, герметизирующих материалов приобретая их у проверенных поставщиков;
- обрезайте полиэтиленовые трубы строго под углом 90 град;
- не пропускайте этап зачистки торцов труб, армированных алюминиевой фольгой;
- при соединении элементов системы, сразу проверяйте каждый сварочный шов и резьбовое соединение от руки;
- производя пайку строго выдерживайте время нагрева трубы и фитинга;
- после сборки системы, залейте теплоноситель, и проверьте систему в работе.
Подтекания даже в одном месте исключают нормальную работу всего комплекса оборудования в целом.
Если вы узнали для себя что-то новое, подписывайтесь на статьи, делитесь информацией в соцсетях.Тема монтажа систем отопления достаточно объемная и интересная, а возможность сделать многое своими руками позволяет не только почувствовать себя настоящим мастером, но и сэкономить значительные средства.
Монтаж труб отопления – это ответственный этап строительных работ, от которого зависит комфорт проживания в доме. В идеале система отопления устанавливается еще во время строительства дома до сдачи готового объекта, но на практике нередко приходится переустанавливать систему с нуля. Например, купив старый дом или коттедж, новоиспеченный владелец желает модернизировать все инженерные системы в доме и выполняет полный демонтаж труб. В этом случае приходится заново разрабатывать проект с учетом особенностей планировки здания, делать расчеты тепловых потерь, составлять смету, закупать материалы и выполнять установку.
Какие трубы выбрать для отопления?
Современные системы отопления устанавливают на основе труб двух типов – металлических и пластиковых. Металлические трубы представлены изделиями из нержавеющей стали и меди, а пластиковый трубопровод – на основе полипропиленовых (ПП) и полиэтиленовых (ПЭ) труб. Какой из них предпочтителен для конкретной системы отопления, должен решать специалист. Если у вас нет соответствующего образования, то желательно обратиться за помощью к инженеру, который поможет разработать проект с учетом необходимого КПД, тепловых потерь здания и других ключевых параметров.
Каждая из разновидностей труб имеет свои достоинства:
- пластиковые трубы стоят дешевле, весят меньше, легко устанавливаются, не подвержены коррозии;
- металлические трубы отличаются длительным сроком эксплуатации и надежностью в работе, способны противостоять гидроударам в системе и высоким температурам теплоносителя.
Но у каждого из типа труб есть и некоторые недостатки:
- пластиковые трубы имеют определенные технические ограничения по температуре и давлению рабочей среды, отличаются более коротким сроком службы, уязвимы для различных негативных факторов (ультрафиолету, химическим примесям в воде);
- металлические трубы более дорогостоящие, подвержены коррозии и требуют более сложного оборудования и инструментов для установки.
Важно! При выборе труб для монтажа системы отопления также следует учесть температурное расширение, которому подвержены пластиковые трубы. Физические свойства пластика обусловливают увеличение расстояния между молекулами при нагревании, из-за чего при заполнении горячей водой трубы могут увеличиваться в длину до 2 см и провисать.
Виды разводок
После выбора материала труб необходимо продумать схему разводки системы отопления. В зависимости от площади отапливаемых помещений, планировки здания, типа теплоносителя и источника энергии инженер должен подобрать ту или иную схему разводки труб. Специалисты различают несколько способов установки труб в доме.
Рекомендуем ознакомиться: Достоинства и применение труб из непластифицированного поливинилхлорида (НПВХ)
Система верхнего розлива воды (самотечная)
В такой системе нагревательный котел находится в самой нижней точке объекта, а циркуляция воды основана на естественных физических законах (расширение при нагревании, сжатие при охлаждении). Нагреваясь, вода увеличивается в объеме и поступает из котла по трубам вверх, заполняя стояки и радиаторы отопления. Циркулируя в замкнутом контуре, остывшая жидкость вновь возвращается в котел, где снова нагревается.
Система верхнего розлива воды – самая простая и экономичная по части установки и эксплуатации. Преимуществами такой разводки можно назвать:
- независимость от электроэнергии;
- отсутствие необходимости устанавливать циркуляционный насос.
Разводка с верхним разливом воды подходит для относительно небольшой площади отапливаемых помещений. К недостаткам самотечной системы относится невысокий КПД и необходимость увеличивать мощность котельного оборудования. В системах верхнего розлива часто случаются внештатные ситуации – завоздушивание, закипание воды – что еще больше снижает эффективность работы отопления. При эксплуатации системы в более удаленных от котла комнатах температура стояка и радиаторов обычно ниже, чем на других участках.
Система нижнего розлива воды (принудительная)
В таких системах циркуляция теплоносителя осуществляется за счет работы специального насоса, который устанавливается на выходе из коллектора, подключенного к котлу. Благодаря циркуляционному насосу производительность системы значительно выше по сравнению с самотечным отоплением. Другие достоинства данного типа разводки – возможность использовать более тонкие пластиковые трубы и устанавливать трубопровод под полом.
Единственным недостатком нижней разводки является зависимость от электричества. При внеплановом отключении электроэнергии в доме циркуляционный насос останавливается и система перестает функционировать.
Есть еще одна классификация разводок систем отопления:
- однотрубная – монтаж стояка осуществляется на основе одной трубы, которая отходит от котла и подключается к одному радиатору, а от него – к следующему и так далее;
- тройниковая – к общему стояку подключаются сразу несколько радиаторов;
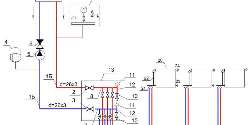
- коллекторная – основывается на подающем и обратном трубопроводах, которые подключаются к коллекторам, а к ним с помощью отдельных труб подсоединяются радиаторы.
Важно! Однотрубная разводка подходит для небольших (до 150 м2) жилых объектов. Коллекторная разводка чаще всего устанавливаться в жилых домах и коттеджах на два и более этажа с несколькими комнатами, кухней, ванной, техническими помещениями.
Перед планированием монтажа труб отопления нужно также позаботиться о закупке малого инженерного оборудования. К нему относятся всевозможные клапаны и заглушки, конденсатоотводчики, приборы контроля и учета (манометры, термометры).
Рекомендуем ознакомиться: Монтаж различных видов пластиковых труб для линий водопровода своими руками
Особенности монтажа труб для отопительной системы
Трубы отопления монтируют на завершающем этапе установки системы, когда котельное оборудование, насос, расширительный бак и другие составляющие инженерного оборудования уже установлены. Способ установки труб зависит от их материала и общей длины системы.
При установке металлических труб можно использовать два способа соединения – с помощью фитингов и сварным способом. Фитинги – всевозможные муфты, переходники, тройники, отводы – используются для быстрого монтажа труб. Соединительные элементы могут отличаться по типу фиксации, разделяясь на резьбовые и фланцевые. Первые основаны на внутренней или внешней резьбе, которая вкручивается в металлическую трубу. Фланцевые фитинги позволяют соединить трубы с помощью дополнительных крепежных метизов.
Внимание! При использовании медных труб можно использовать метод сварки с помощью горелки с применением припоя. Такой способ обеспечивает более надежную герметизацию стыков, но требует больше времени на соединение и не подходит для систем большой протяженности.
Если речь идет о пластиковых трубах, то их можно устанавливать также двумя способами – с помощью специальных полиэтиленовых или полипропиленовых фитингов, а также методом сварки. Фитинги для пластиковых труб по типу и модификации не отличаются от металлических аналогов и могут иметь форму прямых, поворотных муфт, крестовин и отводов. Для подключения пластиковых труб к оборудованию (котлу, коллектору) используются комбинированные муфты в пластиковом корпусе с металлической внешней или внутренней резьбой.
Сварка пластиковых труб осуществляется с помощью специального сварочного аппарата, который в профессиональной среде называют «утюгом». С его помощью нагревают конец пластиковой трубы и фитинг, которые затем соединяют в горячем состоянии. Такой способ позволяет сделать разводку максимально герметичной и надежной, а также сокращает время на монтаж труб.
Рекомендуем ознакомиться: Как самостоятельно изготовить трубогиб для сгибания медных труб
Стандартный алгоритм установки системы отопления можно привести на примере пластиковых труб:
- Предварительно рисуем схему разводки на бумаге, сверяем с имеющимся планом инженерной системы.
- В местах прохождения труб через стены и перекрытия пробиваем соответствующие отверстия с помощью перфоратора.
- С помощью трубореза нарезаем трубы необходимой длины.
- На местах соединения труб срезаем фаску.
- Разогреваем паяльник («утюг»), устанавливаем конец трубы и фитинг на соответствующие насадки и нагреваем до нужной температуры.
- После оплавления пластика быстро снимаем изделия с утюга, соединяем трубу с фитингом, ждем остывания пластика.
- Таким способом соединяем другие трубы и фитинги в соответствии со схемой разводки.
- На местах прохождения труб устанавливаем специальные держатели на стенах, фиксируем с их помощью заготовки.
- Соединяем все заготовки в единый трубопровод с помощью утюга на весу.
После того, как все трубы отопительной системы будут соединены воедино, необходимо подключить их к радиаторам. На каждой батарее необходимо установить шаровый кран для спуска воды, а также кран Маевского для стравливания воздуха. Соединение труб с радиатором осуществляется с использованием специальных комбинированных муфт с металлической резьбой.
Финальный этап установки системы – подключение труб к насосу и котлу отопления. Для этого также нужны комбинированные фитинги, с помощью которых соединяют пластиковые трубы с металлическим отводом инженерного оборудования.
Для проверки правильности монтажа системы и ее герметичности выполняют опрессовку путем нагнетания в трубы воды или воздуха. В течение получаса после заполнения системы необходимо наблюдать за показателями манометра. Если давление в системе не падает, можно сделать вывод, что трубы установлены правильно.
Содержание
Стабильность работы и КПД отопительных систем зависит от проведённых расчётов их параметров и качества монтажа труб отопления. Важно грамотно выбрать их параметры, соблюсти правила разводки, требования по укладке и технике безопасности.
Выбор труб
Перед выполнением монтажа трубопровода систем отопления нужно заранее подобрать материал, из которого он будет сделан. Это связано с обеспечением приемлемого уровня энергоэффективности, снижением затрат, удобством прокладки и разводки.
Использование различных типов труб требует от монтажника определённых навыков в работе. Поэтому при отсутствии финансов для привлечения опытных установщиков придется полагаться на собственные знания. Рекомендуется применять простые технологии прокладки коммуникаций.
При монтаже отопительной системы используют трубы такого типа:
- пластиковые;
- полипропиленовые;
- из сшитого полипропилена;
- стальные;
- металлопластиковые;
- медные.
Основные отличия состоят в сроке эксплуатации, уровне сложности обработки и стыковки, весе конструкции, стойкости к негативным внешним факторам, стоимости.
Пластиковые
Пластиковые трубы отопления удобны в монтаже за счёт лёгкости обработки, соединения, минимального веса. Поэтому могут быть прикреплены к любым несущим конструкциям. Стойки в повышенной влажности имеют минимальный коэффициент теплопроводности, малошумны, срок их эксплуатации составляет до 30 лет, стоимость минимальна.
Полипропиленовые
Изделия из полипропилена влагостойки, просты в укладке, срок их эксплуатации достигает 50 лет.
Сшитый полиэтилен
- повышенной гибкостью;
- пластичностью;
- гладкостью внутренних стенок;
- сроком службы более 50 лет;
- простотой обработки и укладки.
Стальные
Стальные каналы в несколько раз прочнее, чем изделия из других материалов, имеют повышенный уровень герметичности, малое тепловое расширение, высокую теплопроводность. Эксплуатируются при любых температурах. Но не стойки к коррозии, сложны в разводке и формировании стыковочных швов.
Металлопластиковые
Металлопластиковые изделия обладают преимуществами стальных и пластиковых аналогов. При этом они гибкие, имеют простую технологию установки, не проводят ток, химически нейтральные, лёгкие.
Медные
Медные изделия идеальны для отопительных коммуникаций, так как обладают высокой теплопроводностью, прочностью, стойкостью к коррозии. Однако их сложно укладывать, и они дорогие.
Какие трубы лучше
При выборе труб для отопления нужно учитывать следующие факторы:
- условия эксплуатации — уровень влажности, температура окружающей среды, контактирование с определёнными материалами;
- тип используемого котла отопления, важно обеспечить необходимую пропускную способность теплоносителя;
- сложности разводки, определяющей количество поворотов коммуникаций, наличия свободного пространства для укладки, типа подключаемых потребителей;
- рабочей температуры теплоносителя, которую с запасом могут выдерживать конструкции без деформаций или потери основных свойств.
Поэтому комплектующие для каждой отопительной системы нужно выбирать индивидуально. Универсальные решения могут быть невыгодными с финансовой и технической стороны.
Сборка своими руками
Перед выполнением монтажа отопления своими руками проводят сборочные работы:
- Проверить материалы на целостность, так как монтировать повреждённые элементы запрещено.
- Провести замеры интервалов коммуникаций, а затем нарезать их по размерам с учётом крепления к ним фитингов, радиаторов, запорной арматуры.
- Выполнить сочленение участков коммуникаций, учитывая особенности монтажа.
Необходимые инструменты и материалы
Чтобы провести отопление в частном доме, необходимо заранее подготовить следующие инструменты:
- рулетку, строительный уровень;
- режущий инструмент;
- маркер;
- герметик или герметизирующую ленту;
- дрель или перфоратор;
- сварочный аппарат;
- разводной ключ;
- нож.
Кроме того, потребуются такие материалы:
- трубы;
- набор поворотных и соединительных элементов;
- крепежи;
- запорная арматура.
Расчёты
Для создания надёжной системы отопления необходимо рассчитать следующие параметры:
- максимальную температуру;
- давление теплоносителя;
- толщину стенок, внешний диаметр коммуникаций;
- определить расстояние от котла до потребителей, чтобы подобрать его параметры;
- коэффициент безопасности;
- длительность непрерывной работы отопительной системы.
Порядок выполнения работ
Выполнять установку труб отопления нужно в такой последовательности:
- Выполняется разметка стен под скрытую укладку коммуникаций или под внешние крепления с учётом заранее разработанного плана.
- Подготавливаются каналы для укладки или монтаж креплений к стенкам.
- Проводится монтаж отопления пластиковыми, металлопластиковыми или металлическими трубами в соответствии со строительными нормами.
- Выполняется внешний осмотр конструкции на наличие дефектов.
- После монтажа проводится тестирование системы с рабочими параметрами.
- При выявлении течей или недоработок выполняется их устранение.
Возможные ошибки
При монтаже труб системы отопления могут быть допущены такие ошибки:
- не предусмотрена компенсация теплового расширения, в результате чего происходит деформация или разгерметизация стыков;
- материалы подобраны неправильно или имеют дефекты;
- негерметичное соединение;
- несущие конструкции не выдерживают вес коммуникаций.
Стоит также понимать, что не всегда удаётся на ранних этапах сборки и эксплуатации выявить все дефекты. Поэтому лучше привлечь специалистов, которые выполнят сборочные, тестовые работы.
Трубы отопления и водоснабжения. Выбор и особенности монтажа // FORUMHOUSE
Полипропиленовые трубы всё чаще становятся удачной заменой стальным и чугунным аналогам из числа тех, что ранее применялись в сантехнике. Многие сооружаемые частные дома теперь оснащаются отопительными системами, ХВС и ГВС, смонтированными на основе полипропилена.
К тому же монтаж отопления из полипропиленовых труб несложно выполнить самостоятельно. Во всяком случае, соорудить пластиковую систему значительно легче, чем металлическую.
Отопление на базе полипропилена
Если решено сделать систему отопления или какую-то другую из полипропиленовых труб, мастеру кроме пластиковых рукавов, потребуется дополнительная комплектация.
В частности, потребуется следующий материал, оборудование, инструмент:
- трубные ножницы или труборез;
- паяльный сантехнический станок;
- резак для снятия фольги;
- лента герметизирующая (фторопластовая);
- острый нож;
- обезжиривающие средство (например, салфетки Tangit);
- необходимый ассортимент фитингов;
- рулетка и маркер;
- крепёжные детали, винты и дюбели.
Следует обратить внимание на главный материал – ПП трубы, из которых предполагается создавать систему отопления. Потому что систему отопления из полипропиленовых труб допускается собирать на базе материала разного класса.
Отопительная система жилого дома, смонтированная на основе полипропиленовых труб – это уже привычный уклад бытовой жизни. Практичность и несложное изготовление сделали полипропилен крайне популярным
Конкретный выбор сборки зависит от планируемых условий эксплуатации.
Классификация и расчетные параметры
Существующими нормами ГОСТ (ISO10508) установлена классификация полипропиленовых рукавов, исходя из которой этот материал допустимо применять в определённых условиях эксплуатации.
Маркировка ПП труб чётко указывает эксплуатационные параметры. Принимая во внимание это обозначение, легко и просто подобрать материал под конкретную конфигурацию отопительной системы
Длинномерные полипропиленовые изделия делят на 4 класса (1,2, 4,5) по типовым областям применения и по значениям рабочего давления (4,6,8,10 АТИ):
- класс 1 (системы горячей воды до 60°);
- класс 2 (системы горячей воды до 70°С);
- класс 4 (напольный обогрев и радиаторные системы до 70°С);
- класс 5 (радиаторные системы до 90°С).
Например, требуются полипропиленовые трубы, чтобы сделать низкотемпературную систему отопления. Тогда по обозначению на внешней поверхности труб можно определить подходящий материал.
Для данного случая вполне подойдут рукава с обозначением – Class 4/10, что соответствует граничному температурному параметру 70ºС и допустимой границе рабочего давления – 10 АТИ.
Промышленность, как правило, производит изделия универсального назначения. Изготовленными продуктами поддерживается обширная классификация. В документации на такой материал маркировка ПП труб указывается стандартным перечислением допустимых параметров (Class 1/10, 2/10, 4/10, 5/8 bar).
Каждый фирменный продукт имеет на внешней поверхности обозначение класса применения, которым фактически определяются эксплуатационные параметры будущей конструкции домашнего отопления
Таким образом, рассчитывая сделать отопление в доме из полипропилена своими руками, главный материал обычно выбирается мастером в прямой зависимости:
- от запланированных эксплуатационных параметров;
- от способов нагрева теплоносителя;
- от применяемой системы регулирования.
Желательно также рассчитать срок эксплуатации будущей отопительной системы, применяя параметры:
- верхние значения Траб и Pраб;
- толщину стенки труб;
- наружный диаметр;
- коэффициент безопасности;
- продолжительность отопительного сезона.
В среднем, срок эксплуатации полипропилена должен составить не менее 40 лет.
Этапы сборки системы из ПП труб
Рассмотрим, как сделать трубопровод из полипропилена с учетом норм и правил монтажа. Началу производства сети должен предшествовать внимательный осмотр всех деталей комплекта будущей системы. Компоненты (трубы, фитинги) должны быть в надлежащем виде – чистые, без наличия повреждений.
Рекомендуется применять детали только одного производителя. Температура окружающей среды площадки производства работ – не менее + 5°С.
Набор деталей для сборки отопительной системы из полипропиленовых продуктов сочетает в себе различные технические компоненты, использование которых в построении инженерного проекта является обязательным
Соединять между собой полипропиленовые детали системы допускается одним из трёх видов сварки:
- Полифузная.
- Электромуфтовая.
- Стыковая.
Для сборки отопительной и водопроводной системы выпускают не только полипропиленовые трубы и фитинги под сварку. Производят еще и специальные фитинговые детали с резьбой, необходимые для установки запорно-регулирующей арматуры с металлическими корпусами.
На самих полипропиленовых трубах нарезка резьбы не производится ни в заводских, ни в домашних условиях. Их соединяют только горячей, реже холодной сваркой.
Особенности монтажных работ
Все используемые в монтаже компоненты, в случаях подгонки их по размеру, режут труборезом или специально предназначенными для этих целей ножницами.
Работа этим инструментом сопровождается ровным чистым резом, что является важным моментом для выполнения качественного соединения.
Таким инструментом режут полипропилен по размеру – подгоняют для конкретного участка будущей отопительной системы. Труборезы – инструменты многообразные по техническому исполнению. Ручная техника обычно используется для мелких труб
Если требуется выполнить переход «пластик-металл», на трубопроводах ГВС и отопления необходимо применять исключительно фитинговые переходы, оснащённые запрессованной латунной (никелированной) втулкой с резьбой (внутренней или наружной). Затяжка таких соединений выполняется посредством ленточных ключей, если отсутствует профиль под стандартный ключ.
Традиционно трубопровод отопления из полипропилена, в том числе своими руками, собирают методом сплава аппаратом полифузной сварки. Рабочий комплект приспособлений аппаратов подобного рода содержит группу насадок, изготовленных под разные диаметры пластиковой трубы.
Необходимо выбрать подходящие насадки, установить их на пластине нагрева и закрепить винтами.
Техника полифузной сварки и аппарат, необходимый для устройства отопительного проекта на основе полипропилена. Этот инструмент позволяет быстро и легко сваривать отдельные детали схемы, создавать сложные технологические узлы
Регулятором тока аппарата полифузной сварки устанавливается рабочая температура, как правило, 250-270°С. Необходимо дождаться полного прогрева устройства. Достижение рабочего режима отмечается контрольным светодиодом.
Некоторые приборы имеют в комплекте контактный термометр, которым определяется температура нагрева с точностью до одного градуса.
Процедура сварки полипропилена
Пошагово все действия разворачиваются обычно следующим образом:
- Отмерить и отрезать требуемый кусок рукава.
- При помощи острого ножа снять фаску на рабочем торце под угол 30-40°.
- Отмерить участок вхождения рукава внутрь фитинга и отметить границу маркером.
- Также оставить на деталях осевые метки с целью недопущения поворотного смещения.
- С помощью обрезного устройства удалить пластиковый (верхний) и алюминиевый (средний) слои на трубном участке сочленения.
- Обезжирить рабочие (свариваемые) поверхности специальным средством.
- Приступить к процедуре нагрева деталей.
Первым на плату с насадкой надевается фитинг, учитывая более толстый размер стенок этой детали по сравнению с трубой. Фитинг должен плотно «садиться» на корпус насадки сварочного аппарата. Если отмечается свободный ход (люфт, болтание) – фитинг необходимо отбраковать.
Процедурой сваривания двух отдельных компонентов – полипропиленовой трубы и фитинга – предусматривается чёткая очередность подачи деталей на плавку. Первым на «костёр» всегда отправляется фитинг
Следом внутрь другой насадки вставляют обработанный конец полипропиленовой трубы. Плотность посадки здесь также должна соответствовать критерию равномерного контакта по всей окружности. Обе детали выдерживают на пластине нагрева в течение времени, указанного в таблице:
| Диаметр детали, мм | Время нагрева, сек |
| 16 | 5 |
| 20 | 5 |
| 25 | 7 |
| 32 | 8 |
| 40 | 12 |
| 50 | 18 |
| Диаметр детали, мм | Время фиксации, сек |
| 16 | 6 |
| 20 | 6 |
| 25 | 10 |
| 32 | 10 |
| 40 | 20 |
| 50 | 20 |
По истечении контрольных секунд детали снимаются с насадок и соединяются плавным равномерным вхождением трубы внутрь фитинга (исключая осевое смещение).
Вхождение трубы в полость фитинга выполняют до маркерной отметки. Однако соединение до упора не делают. Необходимо оставлять внутренний зазор величиной около 1 мм.
Соединение двух деталей, прогретых до температуры плавления с помощью полифузного аппарата. Здесь важно за короткий промежуток времени выполнить чёткие действия сочленения без боковых и осевых сдвигов
После соединения ПП труб пайкой место состыковки деталей должно оставаться неподвижным (зафиксированным) как минимум 20 сек. За этот период времени расплавленный пластик твердеет, образуется прочное герметичное соединение.
Для достижения полноценной прочности сварной узел необходимо выдержать без нагрузки как минимум 1 час. Такой методикой выполняют сборку всей системы отопления, изготавливая короткие участки с последующим объединением их в узлы и магистральные линии.
Учёт линейного расширения (сжатия)
Колебания внешних и внутренних температур неизбежно приводят к линейному расширению или сжатию полипропилена. Эти особенности следует учитывать в процессе монтажа ПП трубопроводов. Если характерные линейные изменения трубопроводов системы отопления не компенсируются соответствующим образом, такое состояние оборачивается сокращением срока службы всей сборки.
Компенсация линейного расширения для полипропиленовых изделий достигается за счёт свойств гибкости самого материала. Нужно лишь правильно выполнить укладку магистральных линий. Правильная укладка – это обеспечение свободы движения трубопровода в рамках величины линейного расширения.
Как обеспечить такой монтаж? Очень просто. В монтажный комплект необходимо включить специальные компенсаторы, стандартные крепёжные хомуты, состоящие из неподвижных и подвижных элементов.
На схеме показан пример компенсации линейного расширения для устройства трубопровода из полипропилена. Метод – оптимальное размещение опорных кронштейнов. Правильная череда неподвижных (НК) и подвижных (ПК) кронштейнов помогает компенсировать сдвиг
Компенсировать линейное расширение можно также путём предварительного напряжения трубопровода. Такой подход сокращает длину расширения. При этом направление предварительного напряжения прямо противоположно линейному расширению.
Особенности магистрального монтажа
Укладка линий полипропилена при устройстве гравитационного отопления выполняется в соответствии с нормативами (ГОСТ 21.602-79; ГОСТ 21.602-2003), которые определяют минимальный уклон линии по направлению к самой нижней точке на уровне 0,5%. При этом в нижней точке требуется размещение узла слива с дренажным краном.
Трубопроводы необходимо делить на участки с возможностью отсечки этих участков при помощи запорных кранов, к примеру, на случай аварии. Регулирующие вентили и запорные краны перед их установкой на участке необходимо обязательно проверить на работоспособность и качество закрывания/открывания.
При монтаже отопительной системы с гравитационным движением теплоносителя важным технологическим критерием является уклон. Правильно выполненный уклон – залог эффективной и продуктивной работы конструкции
Монтируя стояки, следует особенное внимание уделять неподвижным опорам и построению корректной схемы компенсации линейного расширения.
Требуемый параметр компенсации стояка можно обеспечить двумя способами:
- Подвижными опорами.
- Компенсационной петлёй.
Для варианта устройства отопления в рамках обычной бытовой недвижимости, как правило, используется только первый способ. Неподвижные опоры ставят на стояке в области под и над тройником или же в местах муфтового соединения труб. Такое крепление исключает проседание стояка.
Линии системы отопления подлежат изоляции, включая фитинги и запорную арматуру. Исключение составляют участки труб, проложенные непосредственно в жилом помещении, по сути, являющиеся продолжением отопительных радиаторов. В качестве изоляции удобно применять пенополиуретановые изолирующие патрубки.
Выводы и полезное видео по теме
На примере обвязки отопительного радиатора показан процесс обработки и пайки полипропиленовых изделий при помощи специальных инструментов.
Появление труб, изготовленных на основе полипропилена, и их применение в деле позволяет существенно снизить трудоёмкость монтажа на устройстве систем отопления, в том числе своими руками. Этот современный материал открывает больше возможностей для владельцев частных домов, где отопительные системы питаются от внутренних источников – газовых, электрических, дровяных котлов.
Расскажите о собственном опыте, полученном в ходе сборки трубопровода из полипропиленовых труб. Поделитесь с посетителями сайта полезными технологическими нюансами, не затронутыми в статье. Пишите, пожалуйста, комментарии в расположенном ниже блоке, задавайте вопросы, публикуйте фото по теме статьи.
Ни один строительный и ремонтный процесс не обходится без точно созданного плана или схемы. Это же касается и систем отопления, которых в настоящее время огромное число. 


Особенности однотрубного подключения
Схема монтажа системы отопления однотрубного характера подключения радиаторов имеет отличительные черты. Здесь и вхождение отопительной жидкости и ее выход из радиатора идет по одной трубе, к которой далее подключаются и все остальные радиаторы. 
В настоящее время такие схемы отопления не пользуются большим спросом у владельцев частных домовладений. В наибольшей степени такая система преобладает в многоэтажных квартирных строениях.
Кроме того это актуально только в довольно-таки старых домах с центральной системой отопления.
Один из самых больших недостатков схемы однотрубного подключения считается невозможность регулировки отопления конкретного отдельного радиатора.


Отопление с двумя трубами
Что касается двухтрубных схем монтажа батарей отопления, то варианта сразу три. Самая распространенная система отопления — это двухтрубная классическая. Она подразумевает подачу теплоносителя по одной трубе и его вывод по другой, направленной в противоположную сторону. 

Как сделать отопление своими руками — схемы, проекты и особенности применения актуальных систем отопления (115 фото)
Подключение датчика температуры — схема подключения автоматики и нюансы использования в системе управления отоплением (130 фото, схем и видео монтажа)Второй вариант, который так же считается разновидностью классической двухтрубной системы называется попутным. Такой вид отопления используется в тех случаях, когда ветка отопления очень длинная. Тогда получается, что горячий теплоноситель движется в том же направлении, что и уже остывший. 
К тому же, теплоноситель сохраняет свою температуру на протяжении всего трубопровода. Здесь важно учесть и схему монтажа котла отопления, если речь идет о частном доме.
Лучевая двухтрубная схема
В качестве отдельно взятой следует вынести из общей массы лучевую систему отопления. Она так же относится к вариантам двухтрубных схем, но имеет свои особенности. Данный вариант схемы отопления устанавливается в многоэтажных домах. Лучевая схема имеет особенность, позволяющую каждому владельцу квартиры оплачивать отопление только в той мере, в которой оно им потреблено.
- Воздушный солнечный коллектор — что это такое и как сделать своими руками. Пошаговый мастер-класс и советы по применению в системе отопления (110 фото и видео)
- Монтаж труб отопления: способы разводки и правила размещения отопительной системы (125 фото)
- Отопление в двухэтажном доме: проекты, схемы и системы отопления своими руками (125 фото и видео)
Для данного разделения в каждой квартире устанавливают счетчики отопления. Что касается схемы монтажа отопления в частном доме, то здесь вариант с лучевой системой так же имеет место быть. Данный вид используется в основном при постройке двухэтажных домов.
Однако и в одноэтажном строительстве есть масса плюсов подключения отопления именно по такой схеме. Это поможет отдельно подключить каждый радиатор к коллектору.
Благодаря такой схеме распределение тепла будет максимально равномерным, а значит и экономичным.
Фото схем для монтажа отопления
- https://vseotrube.ru/montazh-i-remont/ustanovka-otopleniya
- https://infotruby.ru/svoimi-rukami/montazh-trub-dlya-otopleniya
- https://trubyda.ru/montazh/trub-otopleniya
- https://sovet-ingenera.com/otoplenie/o-drugoe/montazh-otopleniya-iz-polipropilenovyx-trub.html
- https://otopleniehouse.ru/sxemy-dlya-montazha-otopleniya/




























































