Как очистить газовый котел от сажи самостоятельно — пошаговая инструкция
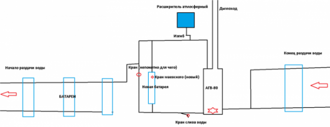
Индивидуальное отопление квартиры, получаемое при помощи газового котла – удобная и нужная вещь. Вы перестаете зависеть от коммунальных служб, получая доступ к горячей воде в любое удобное время. Единственным минусом такого варианта является дороговизна ремонта, необходимого при засоре системы. Как осуществляется чистка домашнего газового котла в домашних условиях и что необходимо при этом учитывать, разберемся…






