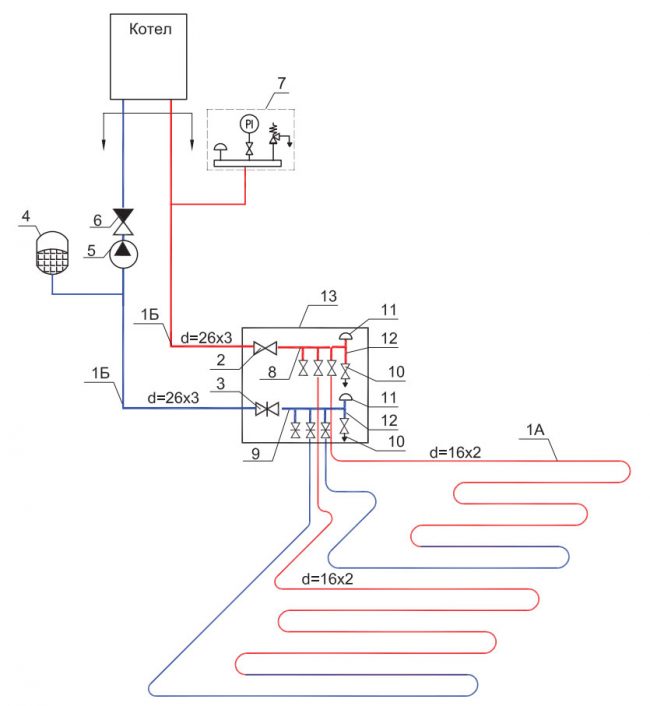
Отопление производственных помещений – выбираем рациональное решение
15.10.2014 —> Нет никаких сомнений в том, что отопление производственных помещений всегда являлось задачей, мягко говоря, нестандартной. И в этом нет ничего удивительного, так как каждое такое помещение возводилось строго под конкретный технологический процесс, а размеры его, в отличие от жилых или бытовых помещений, порой просто впечатляющие. Довольно часто встречаются даже промышленные здания, общая площадь…






