Если вы через поиск добрались до этой статьи, то наверняка уже что-то слышали о смесительной трубопроводной арматуре, применяющейся в системах отопления частных домов и квартир. Так что без долгих предисловий предлагаем обсудить 3 вопроса: как работает термостатический трехходовой клапан, где его нужно устанавливать и как правильно подобрать, чтобы не тратить лишних денег.
Принцип работы и виды клапанов
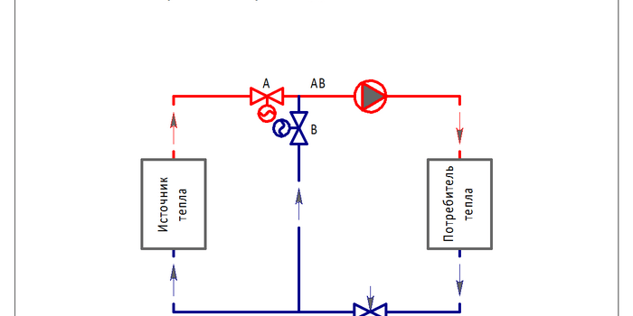
Задача любого 3-ходового вентиля – подать в магистраль воду требуемой температуры путем смешивания либо разделения 2 потоков. Соответственно, элемент оснащен тремя выходами, один из которых всегда открыт, а два других полностью или частично перекрываются в процессе работы. Отсюда и название крана – трехходовой (иногда еще говорят «трехходовый», что не есть правильно).

Примечание. Циркуляционный насос отопления всегда устанавливается именно со стороны открытого выхода, иначе схема будет функционировать некорректно, о чем мы писали ранее в другой инструкции.
По способу приготовления теплоносителя нужной температуры термостатические клапаны делятся на 2 группы, изображенные на фото:
- Смесительные. В них подается 2 потока воды – горячий и охлажденный (входы обозначают буквами «А» и «В»), а из третьего патрубка (маркировка «АВ») идет смесь установленной температуры. На латунном корпусе стоит метка в виде сходящейся с двух направлений стрелочки.
- Разделительные или распределительные. Поступающий теплоноситель делится на 2 потока регулируемой величины. Маркировка на корпусе – 2 расходящиеся стрелки либо буквы «А», «В» на выходных патрубках и «АВ» на входе.

Для справки. Существует третья разновидность 3-ходовых термоклапанов – перекидные. Они ставятся в настенные газовые котлы с водяным контуром и с помощью электропривода переключают движение потока между основным теплообменником отопления и вторичным, обеспечивающим ГВС. Вне теплогенераторов подобные элементы применяются крайне редко.
По принципу действия трехходовые краны тоже делятся на два типа – седельные и шаровые. Устройство первых похоже на обычные водопроводные вентили, только вместо резьбового штока используется нажимной. На нем закреплена тарелка, движущаяся между двумя седлами и перекрывающая 2 прохода поочередно. Нажатие на шток осуществляется тремя способами:
- встроенным термоэлементом
- термоголовкой с выносным температурным датчиком
- сервоприводом.
Как это происходит, показано на схеме и подробно расписано в другой нашей публикации.
Шаровые термосмесительные клапаны работают по принципу таких же кранов, только с тремя выходами. Управляются вручную или от электропривода, вращающего шток по команде автоматики. Элементы являются полнопроходными и отличаются высокой пропускной способностью, а значит, меньшим гидравлическим сопротивлением. Недостаток – зависимость от напряжения в электросети и необходимость установки блока бесперебойного питания (ИБП).
Где надо ставить 3-ходовой кран и когда он не нужен
Прежде чем заниматься подбором трехходового вентиля, желательно убедиться в том, что он действительно необходим. Ведь в интернете и в реальной жизни хватает советчиков, слабо понимающих суть вопроса. Итак, перечислим ситуации, когда этот вентиль реально нужен:
- Для защиты твердотопливного котла от подачи холодного теплоносителя и выпадения конденсата на внутренних стенках топки.
- Чтобы регулировать температуру воды в отопительных контурах.
- Для ограничения нагрева теплоносителя в контурах теплого пола.
О конденсате, провоцирующем образование липких наростов на стенках камеры ТТ-котла, сказано немало, в том числе и на нашем ресурсе. Он появляется в процессе разогрева, когда температура в топке уже высокая, а вода из системы отопления поступает холодная. Чтобы этого избежать, подающая и обратная магистраль связывается байпасом, где и ставится 3-ходовой кран. Он заставляет теплоноситель из котлового бака течь по малому кругу, и только при нагреве до 50—60 °С начинает подмес воды из системы.
Важное замечание. Клапан служит элементом безопасности для чугунного теплообменника, если таковой установлен в вашем теплогенераторе. Представьте, что в доме отключили электричество на 1—2 часа, за которые радиаторная сеть успевает остыть. Без смесителя в разогретый котел резко пойдет холодная вода, когда электроснабжение возобновится. От такого перепада чугун испытает температурный шок и может треснуть.
Регулирование температуры в отопительных контурах с помощью смесительного узла необходимо в таких случаях:
- в сложных системах отопления, когда к общей гребенке надо подключить несколько линий с разными температурными режимами, например, радиаторная сеть, теплые полы и бойлер косвенного нагрева;
- при подключении тех же потребителей к буферной емкости – тепловому аккумулятору;
- при подаче нагретой воды в теплообменник вентиляционной приточной установки, задействованной для воздушного отопления загородного коттеджа.
Поскольку в греющие контуры теплых полов направляется теплоноситель с температурой не более 50 °С, а от котла может поступать и 85 °С, то ее следует ограничить. Обычно (но не всегда!) вопрос решается путем установки на распределительный коллектор смесительного узла с 3-ходовым вентилем. Последний смешивает охлажденную воду из напольных контуров с «внешним» теплоносителем, идущим от котла.
Теперь обозначим ситуации, когда покупка и монтаж смесителя (или разделителя) не обязательна:
- Если протяженность каждой петли водяного теплого пола не превышает 50—60 м, чего вполне возможно добиться, то регулирование делается без смесительного узла. Вместо него на обратный коллектор ставятся головки типа RTL, ограничивающие поток по количеству теплоносителя.
- Когда на обогрев частного дома поочередно работает 2—3 отопительных агрегата, поддерживающих постоянную температуру в сети не ниже 40 °С, то ставить трехходовой клапан для твердотопливного котла не нужно.
- В системах отопления с естественной циркуляцией воды. Причина – перепад давления на клапане, препятствующий движению теплоносителя. То же касается теплоаккумуляторов, задействованных по самотечной схеме.
Примечание. В гравитационных системах используются трубы увеличенного диаметра DN40— DN50. Это значит, что для них придется купить не обычный муфтовый смеситель, а громоздкий вентиль фланцевого типа по приличной цене. Такое решение разумным не назовешь.
Если вас интересует, почему лучше выбрать головки RTL и как они управляют контурами напольного обогрева, посмотрите видео от опытного мастера и нашего эксперта Владимира Сухорукова:
Расчет пропускной способности
Просто подобрать трехходовой клапан по диаметру патрубка отопительного агрегата или подводящему трубопроводу не получится. Дело в том, что в процессе автоматического регулирования элемент создает переменное гидравлическое сопротивление, которое должен преодолевать циркуляционный насос, чтобы обеспечить требуемый расход теплоносителя. Путем расчета клапан подбирается таким образом, чтобы пропускать нужный объем воды при различных положениях штока.
Главная конструктивная характеристика любого 3-ходового вентиля – условная пропускная способность, обозначаемая буквой Kvs и выражаемая в м³/ч. Эта величина, указываемая в паспорте изделия, отражает количество холодного теплоносителя, проходящего через полностью открытый клапан за 1 час. При этом перепад давления на участке до регулятора и после него составляет 1 Бар.
Пример. Если через трехходовой кран с Kvs = 1.6 м³/ч пропустить именно такой объем воды в течение часа, то перепад давлений (гидравлическое сопротивление) составит 1 Бар или 10 м водного столба. Это слишком много для системы отопления частного дома, поэтому при расчетах принимается реальное падение давления – 0.15—0.2 Бар (1.5—2 м вод. ст.).
Чтобы выбрать регулирующий клапан по пропускной способности, сначала нужно определить расход теплоносителя, идущего по регулируемой линии. Используется такая формула:
Здесь:
- G – искомый расход воды, м³/ч;
- Q – тепловая нагрузка на ветвь отопления, кВт;
- ∆t – разница температур воды на подаче и в обратке, обычно принимается равной 20 °С, а в теплых полах – 10 °С.
Пример. Дом площадью 100 м² планируется отапливать напольными контурами, которые должны обеспечить теплоотдачу 10 кВт. Тогда на распределительный коллектор нужно подать G = 0.86 х 10 / 10 = 0.86 м³/ч теплоносителя.
Следующим шагом вычисляем реальный коэффициент K пропускной способности смесительного клапана с учетом перепада давления на нем 0.2 Бар по формуле:
Для того же примера величина К будет равна 0.86 / √0.2 = 0.86 / 0.45 = 1.9 м³/ч. Дальше открываем каталог выбранного производителя арматуры и подбираем из линейки трехходовой кран, чей Kvs равен или больше полученного значения. Возьмем известный бренд Danfoss (Данфосс) и выберем из серии изделий VRB3 клапан с патрубками DN15 и Kvs = 2.5 м³/ч. Предыдущий в ряду номинал составляет 1.6 м³/ч, чего явно недостаточно в нашем случае.
Для справки. Как правило, для твердотопливных котлов и теплых полов, устраиваемых в частных домах, применяются трехходовые клапаны с условным проходом DN15—DN25, не больше. А вот их пропускную способность необходимо высчитывать. Вдобавок после подбора элемента желательно проверить скорость протекающего теплоносителя, как об этом рассказывается в очередном видео:
Советы по выбору
Несведущий домовладелец, решивший в поисках трехходового клапана полистать каталог любой известной фирмы, может растеряться от количества и разнообразия предлагаемых изделий. Чтобы помочь вам выбрать нужный вентиль из широкого ассортимента, мы дадим несколько рекомендаций и начнем с перечня брендов, чьи каталоги вообще стоит открывать. Вот список известных фирм, чьи изделия заслуживают доверия:
- Danfoss (Дания);
- Herz Armaturen (Австрия);
- Honeywell (США);
- Icma (Италия);
- Esbe (Швеция);
- Caleffi (Италия).
Для справки. Перечисленные компании продают огромное количество разнообразной арматуры для отопительных систем, в том числе двухходовые, предохранительные и четырехходовые клапаны, электромагнитные шиберы и термостаты. Из производителей стран постсоветского пространства мы можем рекомендовать продукцию бренда Valtec (Валтек).
Теперь основной блок рекомендаций:
- Для защиты твердотопливного котла от конденсата можно выбрать 2 вида трехходовых клапанов – с фиксированной настройкой и термоголовкой с выносным датчиком. Второй вариант обойдется дороже на 20—30% и не всегда оправдан, поскольку изменение температуры обратки здесь излишне. Приобретайте регулятор с внутренним термостатом, настроенным на температуру 50 либо 55 °С.
- Чтобы управлять нагревом отдельных ветвей и контуров теплых полов, однозначно нужен 3-ходовой клапан с выносным датчиком и термостатической головкой. Колба датчика устанавливается на тот коллектор или трубопровод, чью температуру необходимо контролировать.
- Шаровые (они же поворотные) регуляторы действуют в паре с электроприводом либо выставляются вручную. Если вы не хотите усложнять схему и зависеть от электричества, выбирайте подходящее по характеристикам изделие среди седельных клапанов, работающих от термоголовок.
- Самый «ходовой» материал корпуса – латунь или бронза. Нержавеющие элементы стоят дороже, а чугунное литье боится температурного шока и обладает приличной массой.
- В схемах с одинаковым успехом применяются как смесительные, так и разделительные трехходовые краны. Но если вы не являетесь специалистом в области отопления и собираете систему своими руками, то лучше возьмите клапан – смеситель. С ним проще разобраться и правильно поставить, о чем подробно расскажет эксперт в своем видеосюжете:
Две рекомендации напоследок
Поскольку мы представили упрощенную методику вычисления и подбора 3-ходового клапана по пропускной способности, настоятельно советуем проконсультироваться по этому поводу со знающими людьми. Если такой возможности нет, приобретайте вентиль с запасом, невзирая на цену. Есть и другой вариант: договоритесь с продавцом о возможной замене изделия на тот случай, если оно не подойдет.
Если вам необходимо смонтировать водяное отопление в большом коттедже, обогреваемом радиаторной сетью и теплыми полами, а ГВС планируется обеспечивать от бойлера косвенного нагрева, то без помощи опытных специалистов обойтись не удастся. Придется сделать от 4 до 10 регулируемых ветвей, для каждой из которых нужно рассчитать и подобрать трехходовой клапан, а потом сбалансировать их работу в комплексе.
Трехходовой клапан для котла
Принцип действия и типы приводов клапана
Изделие производится разных конфигураций и с различными приводами, но принцип работы трехходового клапана остается неизменным: смешивать два потока с разными температурами в один, температура которого задана пользователем или требуется по схеме. Жидкость внутри клапана течет от одного патрубка к другому до тех пор, пока не изменится ее температура и не достигнет установленного значения. Тогда привод постепенно открывает поток из третьего патрубка, удерживая температуру выходящей воды в рамках заданного значения. На этом основании такой кран и называется трехходовым.
Принцип работы трехходового клапана
Любой трехходовой смесительный клапан имеет два входных и один выходной патрубки. Распределение потоков осуществляется с помощью привода, который бывает нескольких видов:
- Термостатический привод (термостат) является одним из самых популярных, работает за счет теплового расширения чувствительного элемента, вследствие чего происходит нажим на шток клапана и жидкость начинает смешиваться.
- Широко распространенный тип привода, который устанавливается в трехходовой переключающий клапан – это электрический, действует от сигнала с блока управления.
- Клапан может управляться нажатием на шток приводом термостатической головки. Она реагирует на температуру воздуха, которую определяет сама или с помощью выносного датчика и капиллярной трубки. Привод чаще всего используется в напольных системах обогрева.
Стационарные твердотопливные котлы не могут быть напрямую включены в систему отопления. Одна из причин – нельзя допустить попадание холодной воды в рубашку котла, пока он не разогрелся. В противном случае на стенках топки выделяется конденсат, который, смешиваясь с пеплом, образует прочный слой нагара. Он препятствует свободному теплообмену, уменьшая КПД установки, а счистить нагар очень трудно. Вторая причина – нужно защищать чугунные топки от перепада температур при непредвиденной остановке насоса вследствие отключения электричества, а потом его запуска. Задача — не пустить холодную воду внутрь горячего котла, для чего и нужен трехходовой клапан. Он заставит циркулировать теплоноситель по малому кругу, пока тот не нагреется, и только потом станет подмешивать холодную воду.
Критерии выбора
Трехходовой клапан для твердотопливного котла
Перед тем как подобрать трехходовой клапан для котла, нужно выяснить рабочие параметры теплоносителя, его расход и схему обвязки. Температуру и расход теплоносителя определяют из проектной документации, если она отсутствует, то рекомендуемую температуру воды в обратном трубопроводе можно найти в паспорте на твердотопливный котел. Как правило, она составляет 45—50 ⁰С. Расход теплоносителя нужно знать для того, чтобы осуществить подбор трехходового клапана по его пропускной способности. При отсутствии данных надо просто воспользоваться формулой:
G = 3600Q / c (∆t), где:
- G – расход воды по массе, кг/ч;
- Q – тепловая мощность системы отопления;
- с – удельная теплоемкость воды, равна 4.187 кДж / (кг ⁰С);
- ∆t – разность температур в подающем и обратном трубопроводах.
Учитывая, что для воды значения массы и объема – величины идентичные, то расход может выражаться как в кг/ч, так и в дм3/ч. Рассчитав расход, сравнивают его значение с пропускной способностью крана, указанной в паспорте.
Выбирать изделие по типу привода надо в зависимости от схемы обвязки твердотопливной установки. В простейшей схеме подключения применяется трехходовой термостатический клапан для котла:
Здесь представлена обвязка отопительной установки с тепловым аккумулятором, вода в котором начинает прогреваться только после того, как твердотопливный котел нагреет до установленной температуры воду, циркулирующую по малому кругу (через патрубки № 3 и 1). Когда теплоноситель нагреется, то настроенный на одну из трех возможных температур трехходовой кран начнет открывать поток холодной воды из патрубка №2. Тогда горячая вода будет поступать в бак теплового аккумулятора, замещая уходящую холодную.
Более сложная схема обвязки предполагает использование твердотопливного котла с трехходовым клапаном с управлением внешним контроллером:
Схема использования твердотопливного котла с трехходовым клапаном
Тут применены смесительные краны с двумя видами приводов, работающие в двух контурах циркуляции теплоносителя. Первый, стоящий возле источника тепла – термостатический, работает по принципу, рассмотренному выше. Второй имеет электрический привод, управляемый контроллером в зависимости от сигналов датчиков. Здесь работа трехходового клапана направлена на поддержание необходимой температуры теплоносителя в контуре системы отопления. Устройство с электроприводом может быть задействовано и в первичном контуре, если в котельной работают два или несколько разных котельных установок под управлением одного контроллера.
Еще один критерий, по которому следует выбирать трехходовой клапан для твердотопливных котлов, — это диапазон устанавливаемых температур. Здесь речь идет об изделиях с термостатическим приводом, которые могут применяться как в котловых обвязках, так и в системах теплых полов или ГВС. Производители предлагают краны с разными диапазонами регулировки в зависимости от назначения изделия, например, от 20 до 43 ⁰С, от 35 до 60 ⁰С и так далее. На это нужно обратить внимание при покупке, в данном примере для подключения к твердотопливному котлу предпочтительнее второй вариант.
Перед монтажом обвязки нелишним будет знать, как проверить трехходовой клапан, который вы недавно приобрели. Новое изделие испытать несложно: надо лишь установить минимальную температуру из регулируемого диапазона и в патрубок №3 (см. Рисунок) заливать горячую воду. Через некоторое время работоспособный кран его перекроет. Проверять клапан в уже смонтированной системе можно, измеряя температуру воды в обратном трубопроводе на входе в твердотопливный котел. Ее значение должно соответствовать установленному на термостате.
Заключение
В современных схемах отопления и обвязки трехходовой клапан для котла играет важную роль и не имеет альтернативы. Устаревшие элеваторные системы давно ушли в прошлое как малоэффективные, а лучше трехходовых кранов пока еще ничего не придумали.
Современные котлы применяются в качестве систем отопления, могут иметь в своем корпусе отдельный бойлер для нагрева воды для жилья. Их универсальность позволяет приобретать и эксплуатировать в самых разных помещениях – обычных жилых домах, небольших офисах и больших производствах. Для каждого из приведенных типов зданий или отдельных комнат необходимо лишь приобрести модель котла нужной мощности, иначе полезность его работы будет минимальна.
В чем необходимость использования трехходового клапана
Возможность удобной и универсальной эксплуатации котлов основывается на том, что их легко можно подключать непосредственно к отопительной системе.
Единственным нюансом будет правильность выполненного действия, а также обеспечение нужного уровня защиты при возникновении различных форс мажорных обстоятельств. Для обеспечения этой системы, а точнее ее функционирования при любых условиях и ситуациях как раз и используется трехходовой клапан для твердотопливного котла. Используется он в схемах обвязки и приобретаться (использоваться) должен в обязательном порядке, вне зависимости от модели, мощности или производителя самого котла.
Внешний вид детали
В случае, если данный элемент будет отсутствовать в системе, это может привести к печальным последствиям – серьезной поломке котла, снижению его производительности, или даже может возникнут опасная ситуация, грозящая жизни и здоровью людей, находящихся в отапливаемых помещениях и непосредственно рядом с самим котлом.
Какие бывают трехходовые клапаны
Сегодня существует масса самых разных вариантов, отличающихся как по конфигурации, так и по внешнему виду, однако принцип действия неизменен. Самый простой – смесительный клапан, делиться всего на 2 вида:
- Трехходовой смесительный клапан;
- Клапан с предварительной настройкой.
(в первом случае регулировка осуществляется в штатном режиме, во втором – регулировка возможна на усмотрение пользователя).
Отличить клапан среди других предлагаемых на рынке деталей достаточно просто – клапан всегда имеет 3 патрубка:
- В первый подается горячий поток;
- Во второй подается холодный поток;
- Третий патрубок является выходом и через него проходит уже смешанный, сбалансированный по температуре поток.
Направление потока
Главной задачей данной детали является защита от попадания холодной жидкости в рубашку котла в момент его первичного разогрева.
В случае если не использовать клапан, или поставить его неправильно, горячая вода не будет поступать в систему, соответственно – ни о каком обогреве не может идти речи.
За счет клапана теплоноситель будет циркулировать в первичном контуре до того момента, пока не прогреется до требуемой температуры– в зависимости от типа котла это значение может колебаться от 40 до 50 градусов.
После того, как температура будет достигнута, термостат (который и отвечает за проверку текущего градуса в контуре) взаимодействует со штоком, который, в свою очередь будет открываться, для вывода холодной воды из действующей отопительной системы.
Принцип работы детали
Существует множество видов клапана, отличающихся по типу используемого привода, по конфигурациям, методике управления и т.д. По системе управления, а также по типу привода существует несколько моделей.
Один из самых распространенных – это клапан, использующий термостатический привод, иначе говоря, в детали установлен привод, управляемой посредством термостата. Работает такое устройство за счет эффекта расширения элемента (в случае расширения происходит нажатие на шток клапана, после чего происходит смешивание жидкостей с различной температурой). Данный тип клапана является наиболее популярным.
Внешний вид
Второй тип, не менее распространенный, это электрическая методика управления. В данном случае шток клапана активируется после сигнала с электронного блока управления.
Третий тип отличается управляющим элементом –нажатие на шток выполняется посредством термостатической головки. Реакция происходит в зависимости от изменения температуры воздуха, которая определяется самой головкой, или посредством датчика, выносимого наружу с помощью капиллярной трубки.
Подобный привод наиболее актуален в случае монтажа и дальнейшей эксплуатации напольных систем обогрева.
Клапан необходим еще и потому, что препятствует возникновению нагара (если холодная вода будет поступать к рубашке, то конденсат, появляющийся на ней будет смешиваться с пеплом, тем самым создавая нагар, а он в свою очередь снижает эффективность теплообмена, что снижает КПД самого котла и системы, в которой он и установлен).
Как правильно выбирать
Прежде чем приступать к непосредственной покупке клапана, следует выяснить массу моментов, касательно используемого котла и особенностей системы отопления, это позволит повысить эффективность работы системы, в ином случае – это может привезти к ухудшению штатных показателей.
Главным в данном вопросе является определение рабочих параметров теплоносителя(это легко выяснить с помощью имеющейся документации). Кроме того, необходимо учитывать расход на обогрев и саму схему обвязки.
Определить расход и температуру теплоносителя можно с помощью проектной документации. В случае, если таковая отсутствует, использовать можно рекомендации, которые указаны в паспорте самого котла, который и используется в системе.
Все эти параметры нужны для того, что бы правильно подобрать клапан (выбирать предстоит сугубо по пропускной способности).
Система управления привода выбирается по типу системы обогрева и обвязке самого котла. Самые простые модели и варианты подразумевают использование обычного термостатического клапана (хотя бывают исключения). А, как уже говорилось, для обеспечения качественной работы подогрева пола, следует использовать изделие с термостатической головкой.
Схема установки
Если планируется работа со сложной системой обвязки, то производители рекомендуют использовать клапан с внешним управляющим контроллером.
Рекомендации и советы
Как бы то ни было, любая современная система отопления должна использовать трехходовой клапан, являющийся важным узлом во всей системе и заменить его попросту нечем – альтернатива не была придумана.
Исключением можно назвать используемые ранее элеваторные системы, которые уже длительный срок не эксплуатируются и считаются устаревшими (в силу малой свой эффективности и удобства).
<center></center>
Обязательно следует учитывать, что существует не только смесительный клапан, но и разделительный. Рассмотренный выше первый вариант подразумевает возможность смешения двух потоков в один, а второй вариант –разделительного клапана, предлагает возможность разделить один поток на два, при этом регулируя подачу в каждый из выходов.
Оба эти виды клапанов могут быть использованы в системе. Однако смесительный необходим в любом случае, а разделительный редко применяются в простых системах отопления.
Разделительный и смесительный клапан
Правильным выбор клапана можно назвать в том случае, если пользователь выбирает покупку не только по пропускной способности, но и по температуре. Если первый критерий отбора является основным – не учитывая его, нельзя рассчитывать на функциональность системы в целом, то второй критерий подразумевает длительность работы клапана – если он не рассчитан на функционирование в системе, где температура выше, чем допустимая у самого клапана – деталь будет изнашиваться быстрее и потребует замены, либо вообще не будет функционировать.
Что такое автономная система отопления, особенно где основой является твердотопливный котёл — знает далеко не каждый. Это довольно сложный и запутанный механизм, который состоит из огромного количества связанных между собой деталей и узлов, отвечающий за определённые функции. Что же касается трёхходовых клапанов, то в этой иерархии ему отведена роль смесителя, где регулируется температура теплоносителя, благодаря чему происходит равномерный нагрев труб и воздух в комнатах будет равномерно прогрет. Без его использования, вода будет неравномерно нагреваться при прохождении через теплообменник, и в разных комнатах будет различная температура.
Как работает клапан?
Трехходовой клапан для котлов, независимо от конфигураций и приводов, работает по стандартной схеме: смешивает холодную и горячую воду до температуры, уставленной пользователем. Вода внутри клапана идёт от одного патрубка до другого, пока её температура не изменится и не достигнет заданных значений. После этого привод начинает плавно открывать поток из третьего патрубка, откуда уже идёт поток воды с заранее установленной температурой. Именно поэтому этот клапан для твердотопливных котлов получил название трехходового.
Устройство клапана котла
Трехходовой клапан устанавливается на все типы котлов, будь то газовый или твердотопливный. Он отличается лишь размерами, в то время как его конфигурация стандартизировано. Это значит, что независимо от того, кто производитель котла (Ariston, Navien, Beretta и т. д.), внешне он будет выглядеть идентично.
Технические характеристики следует уточнять в технической документации, которая идёт с котлом. Не рекомендуется пробовать установить в него запчасть ни того размера, поскольку никто не гарантирует её нормальное функционирование, а вот финансовые затраты от возможной поломки из-за неё будут довольно существенными.
В качестве теплоносителя в 100% случаев применяется обычная водопроводная вода, поскольку она всегда доступна и отсутствуют какие-либо проблемы с эксплуатацией, потому нет смысла изобретать велосипед, особенно когда отопление хорошо функционирует и принцип работы проверен годами применения не на одном котле.
Трехходовой клапан делается из нержавейки или бронзы. Существуют также изделия на основе полимера, но они пока ещё не очень распространены. Правда, такие устройства, возможно, будут более массовыми в ближайшем будущем, если хорошо зарекомендуют себя на котлах.
Каждый трехходовой клапан для котлов имеет два входных и одно выходное отверстие, а внутри у него находится специальная мембрана (привод), которая отвечает за регулировку поступающих потоков, чтобы добиться оптимальной температуры.
Виды клапанов
Как уже было сказано ранее, распределение потоков в клапане происходит с помощью привода, которого существует несколько типов:
- термостатический (термостат). Это самый популярный привод, который работает благодаря тепловому расширению чувствительного элемента, после чего происходит давление на шток клапана, и горячий и холодный потоки смешиваются;
- электрический – тоже довольно распространённый вид привода, устанавливающийся в трехходовой клапан. Работает за счёт подачи сигналов с блока управления;
- термостатическая головка, где клапан управляется нажатием на шток её привода. Она отвечает на определяемую ею или выносным датчиком температуру. Зачастую такой привод применяется для создания напольных систем обогрева.
Также существуют автоматические и механические модели:
- в автоматических клапанах мембрана движется сама по себе, в зависимости от температуры;
- в механических разделитель устанавливается вручную, что требует наличия на каждой входящей трубе термометра для контроля за температурными показателями.
Как выбирать клапан?
Прежде чем приступать к выбору клапана для твердотопливного или газового котла, следует уточнить рабочие характеристики теплоносителя, его расход и схему обвязки. Расход и температуру теплоносителя можно узнать в проектной документации, а при её отсутствии – указанную производителем температуру воды на обратном трубопроводе в паспорте на котёл. Обычно, этот показатель составляет 45–50ºС. Это нужно для того, чтобы правильно выбрать трехходовое устройство, исходя из его пропускной способности. Если же данных нет, то достаточно прибегнуть к простому расчёту по формуле G = 3600Q / c (∆t), в которой:
- G – затраты воды по массе, кг/ч;
- Q – тепловая мощность отопительной системы;
- c – удельная теплоёмкость воды (4.187 кДж / (кг ⁰С);
- ∆t – разница температур в подающем и обратном трубопроводах.
Стоит не забывать, что для воды показатели массы и объёма – одинаковые величины, а потому расход может быть указан как в кг/ч, так и в кубических дециметрах (дм 3/ч). Просчитав расход, его следует сравнить со значениями пропускной способности крана, которая отражена в паспорте.
Также трехходовой агрегат следует выбирать, исходя из диапазона устанавливаемых температур. Это имеется в виду клапаны с термостатический приводом, используемые как в котлах, так и системе теплы пол. Зачастую производители предлагают краны с разнообразными диапазонами регулировки, к примеру, от 20 до 45ºС, от 35 до 60 ºС и т. д. При покупке следует обращать внимание на этот нюанс. Что же касается твердотопливных котлов, то для них рекомендуется второй вариант.
Проверка клапана
Прежде чем приступать к установке клапана в котёл, его следует предварительно проверить. Сделать это очень просто: достаточно задать минимальные температурные значения из настраиваемого диапазона и в патрубок №3 вливать горячую воду. Если все нормально, то он вскоре будет закрыт. Проверить также можно непосредственно на котле, замеряя температуру воды в обратном трубопроводе на входе в котёл – её показатели должны совпадать с установленной на термостате.
Вместо итога
Трехходовое устройство для твердотопливных котлов играет очень важную роль и, к сожалению, не имеет никаких аналогов. Элеваторные системы уже давно канули в историю, поскольку их эффективность на порядок ниже трехходовых клапанов. Поэтому именно твердотопливный котёл остаётся тем незаменимым агрегатом, который в состоянии оперативно и на высоком качественном уровне решить необходимые задачи.
Трехходовой клапан представляет собой своего рода тройник с расположенной внутри него запорной арматурой. Благодаря ее стабильному функционированию происходит нормальное распределение теплоносителя оптимальной температуры по всей отопительной системе.
Содержание:
- Виды ↓
- Смесительная система ↓
- Разделительный прибор ↓
- Клапаны с ручным управлением ↓
- Особенности выбора ↓
- Подключение клапана ↓
- Стоимость и правила эксплуатации ↓
- Блиц-советы ↓
Такие клапаны бывают 2 основных режимов:
- Работающие в режиме постоянной нагрузки.
- Изделия, рассчитанные на переменное давление.
В случае установки конструкции первого типа? к потребителю идет горячая вода необходимой температуры и требуемого объема. Если же в системе находится клапан переменного давления, то здесь температура воды не будет играть ни малейшей роли, так как в этом случае будет важно количество жидкости, которое проходит через клапан.
Трехходовой клапан оснащен особым элементом – штоком. За счет него? вода, постоянно находящаяся под давлением, не будет его перекрывать. Шток будет действовать в том случае, если необходимо полностью перекрыть либо несколько ограничить поступление объема воды, если гидравлическое давление обладает переменным показателем. Именно за счет штока можно в полной мере держать под контролем общий показатель расхода воды и ее напора.
Для нормальной работы трехходового клапана, к нему придется подключать как холодную, так и горячую воду. Горячая вода в данном случае несет на себе функцию теплоносителя, который идет сразу от твердотопливного котла в систему. Остывшая вода возвращается в клапан по так называемой обратной линии.
Когда клапан открыт, в него одновременно будет поступать как горячая, так и холодная вода. В нем она будет перемешиваться, за счет чего на выходе будет вода средней температуры, однако подобного результата можно добиться лишь в том случае, когда вентиль открыт частично.
Если же он будет открыт целиком, то вода будет идти в отопительные батареи и радиаторы сразу от котла, за счет чего они будут нагреваться до приемлемой температуры быстро. Когда клапан перекрывается, отопительные приборы будут снабжаться водой только за счет обратной трубы.
В некоторых конструкциях котлов подобный клапан меняют на 2 конструкции, которые представляют собой двухходовой клапан. В данном случае они будут функционировать несколько иначе: если один из кранов открыт, то второй в обязательном порядке перекрывают.
Виды
Отечественная промышленность выпускает трехходовые клапаны в виде 2 основных конструкций, которые могут использоваться как в бытовых, так и в заводских установках:
- Смесительного принципа действия.
- Разделительного принципа.
2 тип применяют в случае, чтобы теплоноситель переходил из одной трубы в другую, причем внутри него находится особое шаровое приспособление. Данные конструкции сложно поддаются плавному регулированию из-за того, что запорная система была разработана именно этим образом.
Смесительная система
Серьезно отличается от рассмотренного ранее устройства. При учете, что в разделительной системе находится 1 шток совместно с 2 клапанами, то в смесительной конструкции размещен лишь 1 клапан со штоком. Данная система установлена в центральной части конструкции, к тому же в случае необходимости она может полностью перекрыть входящий водяной поток.
Разделительный прибор
Также характеризуется тем, что в нем клапаны находятся в отводящих патрубках. Получается, что при открывании доступа воде с одной стороны, с другой ее поступление будет перекрыта. Стоит отметить, что по методу управления такие клапаны могут быть ручного либо электрического типа.
Перемещение крана в последнем случае происходит за счет специальной электромеханической конструкции. Во время ее использования осуществляется открытие лишь необходимых каналов, через которые начинает проходить жидкость или газ. Однако этот тип прибора обычно применяется в промышленности.
Клапаны с ручным управлением
Для бытовых нужд. Трехходовой клапан, находящийся в котле, выполняет функцию распределения тепла по помещениям или же между отдельно стоящими капитальными строениями. Если используется система теплых полов водяного типа, то такой клапан будет отвечать и за его нормальную работу.
За счет использования трехходового клапана, вне зависимости от его типа конструкции удается добиться постоянного теплового потока, происходящего за счет регулярной циркуляции теплоносителя (при этом совершенно не важен его тип). Данный момент наиболее важен в зимний период, потому что температура в системе довольно сильно меняется.
Если говорить проще, то при установке подобного клапана вся отопительная система будет стабильно работать и никогда не размораживаться.
Особенности выбора
Перед покупкой нужно в обязательном порядке познакомиться с основными рабочими свойствами:
- Внутренние и внешние диаметры подключения к системе. В принципе, в твердотопливных котлах этот показатель находится в пределах от 20 до 40 мм – в зависимости от его пропускной способности. Если же подходящего диаметра промышленность не выпускает, то нужно будет воспользоваться разного рода переходниками.
- Пропускная способность – этот показатель говорит об объеме жидкости, которая может пройти через трехходовой клапан в единицу времени.
- Возможность подключения сервопривода. Это позволит клапану функционировать в автоматическом режиме, что будет довольно полезным моментом при сборке системы теплого водяного пола.
Обязательно обращают внимание на материал, из которого этот клапан выполнен. Лучше всего приобретать медные или чугунные изделия. Однако следует учитывать, что медные конструкции довольно дорогие.
Не лишним будет посмотреть проектную документацию или же осмотреть саму деталь. На ней должна быть написана максимальная температура, которая в большинстве случаев составляет 90 градусов. В принципе, до такого показателя даже в самую холодную зиму практически никогда не доводят. Средняя температура, при которой такому клапану придется работать, составляет порядка 50 градусов.
Подключение клапана

Когда подключение трехходового клапана осуществляется своими руками, необходимо принимать во внимание направленность теплоносителя. Она обычно обозначается стрелкой непосредственно на самом изделии.
Стоит отметить, что подобный клапан разрешается устанавливать в отопительную систему как в вертикальном, так и в горизонтальной положении, причем место установки не играет особой роли.
Однако при подключении важно соблюдать ряд определенных правил, чтобы в дальнейшем вся система нормально функционировала:
- Все работы делаются очень аккуратно, чтобы не вся отопительная система осталась неповрежденной.
- Если будет решено проводить сварочные работы, то перегрева клапана допускать нежелательно.
- Непосредственно перед местом подключения данного изделия устанавливают фильтры, иначе клапан начнет засоряться и в скором времени выйдет из строя.
- Клапан необходимо устанавливать там, где к нему можно будет с легкостью подобраться.
За счет установки клапана, в систему отопления не попадает холодная вода, следовательно, на стенках отопительных труб не будет возникать конденсат. Это, в свою очередь, может вызвать деформацию всей системы и выход ее в скором времени из строя.
Стоимость и правила эксплуатации

Иностранные модели и модели, сделанные из меди и ее сплавов типа бронзы, могут стоить значительно дороже – их цена достигает 1,5-2 тысяч. В принципе, качество продукции приблизительно одинаковое, а на цену дополнительно влияет диаметр клапана.
При использовании трехходового клапана следует соблюдать определенные правила, так удастся в значительной степени продлить срок его работы.
Правила простые:
- Время от времени нужно смотреть, насколько стабильно работает вся система.
- Использовать конструкцию можно исключительно на основании инструкции.
- При приобретении обязательно смотрят на ключевые технические показатели и тип конструкции.
- По существующей технологии между расширительным баком и самой отопительной системой категорически запрещается устанавливать запорную арматуру любого типа.
- Котел должен в полной мере соответствовать всем нормам безопасности, поэтому в отопительную систему дополнительно встраивают аварийный кран, чтобы в случае необходимости была возможность в экстренном режиме сбросить из системы давление.
- Если отопительная система построена на обратке, то это может привести к катастрофическим последствиям – аварийное отключение вряд ли сработает в этом случае, котел скорее всего взорвется, трубы также выйдут из строя.
- Всю систему безопасности монтируют на выходе трубы с горячей водой из котла. Не исключено, что придется в качестве запорной арматуры установить стандартный шаровой кран. На первый взгляд может показаться, что это простая запорная арматура, однако она весьма важна при сборке всей системы.
Блиц-советы
- Твердотопливные котлы могут использовать самые различные виды твердого горючего, то есть они представляют собой довольно универсальные изделия.
- При горении образуется большое количество самых разных газообразных продуктов, многие из которых негативно влияют на здоровье человека, поэтому при работе котла задвижку на дымоходе не закрывают.
- Лучше всего приобретать котел твердотопливного типа, выполненный из чугуна или нержавеющей стали. Сталью лучше пренебречь, так как под воздействием высокой температуры коррозионные процессы начинают развиваться значительно быстрее.
- Чугунный котел придется регулярно очищать, так как его шероховатая структура способствует накоплению разного рода загрязнений.
- Самое опасное для всей арматуры при использовании твердотопливного котла – конденсат, возникающий на стенках трубы. Чтобы этого не произошло не следует пропускать трубу с водой, которая идет от отопительной установки, непосредственно через топку. Тем более, что конденсат в дальнейшем удалить будет практически невозможно, так как он смешается с золой и превратится в монолитную массу.
- Зачастую, невозможно собрать отопительную систему таким образом, чтобы происходила естественная циркуляция воды. Это означает, что во всю конструкцию нужно будет внести так называемый циркуляционный насос, за счет которого вода станет быстрее проходить по системе.
Используемые источники:
- https://otivent.com/kak-podobrat-trehhodovoj-klapan
- https://cotlix.com/kak-pravilno-podobrat-trexxodovoj-klapan-dlya-tverdotoplivnogo-kotla
- http://kotlyhouse.ru/komplektuyushhie/926-trexxodovogo-klapana-dlya-tverdotoplivnogo-kotla.html
- https://kotel.guru/kotly/tverdotoplivnye/kak-rabotaet-trehhodovoy-klapan-dlya-tverdotoplivnyh-kotlov.html
- https://housetronic.ru/otoplenie/kotly/tverdotoplivnye/trexxodovoj-klapan.html















