
Но прежде чем перейти к их подробному изучению, стоит обратить внимание на те минимальные требования, которые вообще применяются к теплым полам. Они тем или иным образом могут повлиять на выбор схемы.
Ограничения и нормативы</h2>
Начнем с того, что водяной теплый пол не относится к высокотемпературным системам отопления. По нормативам, здесь нельзя превышать и нагревать температуру теплоносителя свыше 55С.
На практике нагрев происходит максимум до 35 или 45 градусов.
При этом не путайте температуру теплоносителя и температуру поверхности пола. Она может составлять от 26 до 31 градуса максимум.
- там где вы находитесь постоянно (зал, спальня, кухня) — это 26С
- в комнатах с временным пребыванием (санузел, отдельная прихожая, лоджия) — 31С
Кроме того, не забывайте про циркуляционный насос. Теплый пол — это все таки отдельный самостоятельный контур. Насос может быть как встроенным в котел, так и смонтирован за его пределами.
С помощью насоса легче выполнить еще одно требование, касающееся перепада температур. К примеру между подачей и обраткой, перепад должен составлять не более 10 градусов.
Но выбирая насос, не переборщите со скоростью протока теплоносителя. Максимально допустимое значение здесь — 0,6м/с.
Зная все эти ограничения и рекомендации, давайте перейдем непосредственно к самим схемам.
Схема прямого подключения</h2>
У вас есть котел, после которого смонтирована вся арматура безопасности + циркуляционный насос. В некоторых настенных вариантах котлов, насос идет изначально встроенным в его корпус.
Для напольных экземпляров придется ставить его отдельно. От этого котла, вода сначала направляется в распределительный коллектор, и далее разбегается по петлям. После чего завершив проход, возвращается через обратку в теплогенератор.
При такой схеме, котел непосредственно настраивается на желаемую температуру самих ТП. У вас тут нет никаких дополнительных батарей отопления или радиаторов.
На какие главные особенности здесь стоит обратить внимание? Во-первых, при таком прямом подключении, желательно устанавливать конденсационный котел.
В таких схемах, работа при относительно невысоких температурах для конденсационника вполне оптимальна. В этом режиме он достигнет своего наибольшего КПД.
Если же вы будете использовать обычный газовый котел, то в скором времени попрощаетесь со своим теплообменником.
Второй нюанс касается твердотопливных котлов. Когда у вас смонтирован именно он, для прямого подключения к теплым полам, вам потребуется еще и буферная емкость.
Она нужна для ограничения температурного режима. Твердотопливными котлами напрямую очень тяжело регулировать температуру.
Схема с трехходовым клапаном</h2>
В подавляющем большинстве домов монтируют именно эту комбинированную систему теплых полов.
Она включает в себя:
Главный вопрос здесь — как получить из 80 градусов идущих на батареи, поток воды для теплых полов в два раза меньшей температуры.
Проблема решается при помощи трехходового термостатического клапана.
Монтируется он на подающей трубе. При этом после него не забудьте поставить циркуляционный насос.
Более холодная вода берется из обратки теплого пола. Смешиваясь с горячей водой поступающей из котла, теплоноситель и приобретает пониженную температуру, необходимую для напольного отопления.
Недостатком такой схемы является то, что вы не сможете точно ограничить и отрегулировать поток остывшей воды из обратки. Чем это чревато?
Непридирчивый человек этого может и не заметить, тем не менее данные перепады температуры в этой схеме присутствуют, и от них никуда не деться. Конечно, временные отрезки подачи горячего и непрогретого теплоносителя могут компенсироваться тепловой инерцией бетона стяжки.
Но это все относительно. Никогда точно не рассчитаешь оптимальную толщину при таком обогреве.
Достоинства такой комбинированной схемы с трехходовым клапаном:
Такой способ монтажа себя оправдывает, если у вас квартира или дом небольшой площади. Да и завышенными требованиями к суперкомфортным условиям проживания вы не страдаете.
Схема с насосно смесительным узлом</h2>
Эта схема тоже относится к комбинированным системам, когда у вас одновременно есть и радиаторы, и теплый пол.
Однако здесь вместо 3-х ходового клапана, применяется более дорогой насосно-смесительный узел.
По факту, здесь также подмешивается остывшая обратка к основной котловой подаче. Но благодаря балансировочному клапану, остывшую воду можно подмешивать в определенных дозах и заданных пропорциях.
Этим вы обеспечите точно заданную температуру теплоносителя, поступающего в трубки ТП через коллектор.
Это наиболее эффективная и самая комфортная схема. Сам насосно-смесительный узел может быть собран в различных вариациях.
В зависимости от ваших потребностей и финансовых возможностей в него могут быть включены следующие компоненты:
Схема с терморегулирующим комплектом для одной петли</h2>
Данная система отопления реализуется при помощи небольших термомонтажных комплектов. Они изначально рассчитаны на присоединение только одной единственной петли.
Здесь вам не придется городить сложных коллекторов, смесительных групп и т.п. Она рассчитана на обогрев помещений с максимальной площадью 15-20м2.
С виду это небольшая пластиковая коробочка, в которой смонтированы:
Горячая вода поступает напрямую в петлю теплого пола без всяких коллекторов или каких-либо регуляторов. Это означает, что ее изначальная температура достигает максимальных 70-80 градусов, а остывание происходит как раз в самой петле.Из-за наличия всего одной небольшой петли, никаких дополнительных насосов здесь не используется. С прогоном воды должен справляться насос установленный в самом котле.
Чаще всего люди применяют такие комплекты в 3-х случаях:
1Вы хотите сделать теплый пол на небольшой площади (ванная, санузел, балкон) и при этом не тратить огромные деньги на узел смешения с насосом.
2У вас большая площадь теплых полов на первом этаже дома, и есть удаленный санузел на втором.
Чтобы не тянуть одну единственную петлю с первого на второй этаж, плюс применять там воздухоотводчики, можно воспользоваться этим недорогим решением.
3Вы уже смонтировали систему водяного теплого пола и вдруг ваша жена вспоминает, что хотела бы еще одну петлю, а на распредколлекторе уже закончились свободные выходы.
Опять же в качестве альтернативы, можно воспользоваться терморегулирующим комплектом.
Во всех трех случаях вы просто его подключаете напрямую к ближайшему радиатору, стояку или коллектору отопления. В итоге у вас автоматически получается готовая петля теплого пола.
Недостатки такого комплекта:
Конечно можно подавать и остывшую воду из буферной емкости, но тогда мы приходим к ранее рассмотренной схеме №1. Данный же комплект предназначен для подключения именно к высокотемпературной системе, с ПЕРИОДИЧЕСКОЙ подачей в теплый пол горячей воды.
Подали порцию воды, термоголовка перекрыла поток. Далее вода остыла в петле, подали следующую порцию и т.д. Если же теплоноситель низкотемпературный, то и никакого комплекта не нужно.
Кстати, его можно подключать не только к теплым полам, но и к системе теплых стен, или к отдельным радиаторам отопления.
Более подробно с работой системы можно ознакомиться в паспорте на изделие — скачать.
В однотрубной его будет достаточно сложно приспособить. Придется монтировать байпас и балансировочный вентиль.
Достоинства:
Применяемость — в маленьких помещениях с редким пребыванием людей. В основном это санузлы, коридор, лоджия.
Чтобы понять какая из схем лучше и наиболее подходящая для вашего случая, можете сравнить все их недостатки и преимущества, сведенные воедино в одной общей таблице.
Взвесив все плюсы и минусы можете выбирать ту, которая наиболее полно удовлетворяет вашим потребностям и возможностям. После чего смело приступать к монтажу или приглашать специалистов для проведения ремонтных работ.
От того, насколько правильно будет выполнено подключение теплого пола к котлу, во многом зависит эффективность работы такой системы в будущем. В зависимости от типа используемого отопительного оборудования (может быть установлен агрегат настенной или напольной установки) для подачи теплоносителя в трубопровод после подогрева возможно использование нескольких вариантов схем.
Каждый из используемых при этом способов смешивания и подключения имеет свои особенности, которые необходимо учитывать, чтобы в ходе эксплуатации выбранный вариант отвечал всем базовым требованиям пользователей. При этом каждая схема подключения теплого пола к котлу предполагает использование циркуляционного насоса, термостата, запорных вентилей, коллекторного шкафа.
Основные этапы подключения водяного теплого пола к котлу отопления
- Устройство стяжки.
- Установка котла (при этом необходимо учитывать, что петли водяных труб должны идти от коллектора). Желательно выделить для этих целей отдельное помещение.
- Монтаж коллекторного шкафа, основной функцией которого является создание циркуляции теплоносителя в трубах и совместить тёплый пол с другими видами отопления.
- Подведение труб подачи и обратки к коллекторному шкафу, на каждой из них устанавливается запорный кран, который в случае необходимости позволит оперативно перекрыть воду.
- Подключение теплых полов к котлу отопления (труба соединяется с вентилем) через компрессионный фитинг.
- Вход коллектора подключается к вентилю и к контурам тёплого пола.
- Установка циркуляционного насоса на трубе подачи (для удобства регулировки температуры нагрева лучше использовать модель с термостатом).
- Тестирование системы перед её введением в эксплуатацию.
Важно! Специалисты рекомендуют завершать установку тёплого пола только после того, как система успешно проработает в тестовом режиме не менее 10-12 ч, чтобы впоследствии не создавать себе проблем с необходимостью выполнения повторного ремонта.
Схемы подключения теплого водяного пола к котлу
Однотрубная система отопления
Alt = Однотрубная схема отопления («ленинградка») с напольным котлом
Схема подключения теплого пола к котлу отопления в данном случае включает в себя котёл напольной установки, запорную арматуру на подаче и обратке, блок безопасности, циркуляционный насос и расширительный бак. Система подключения радиаторов выполнена двумя ветками, на каждой из которых предусмотрен запорный вентиль. В качестве основного трубопровода в данном случае используется полипропиленовая труба 25 мм, для подключения к радиаторам используется её аналог диаметром 20 мм.
Такое подключение теплого пола к газовому котлу актуально для небольших одноэтажных домов, так как для второго этажа потребуется устройство своей отдельной ветки, что крайне неудобно в монтаже. Возможна работа системы через смесительный узел с автоматическими клапанами или байпас. Первый вариант более удобен в эксплуатации, но второй при этом станет недорогим бюджетным решением.
Для того чтобы подключить тёплый пол к настенному котлу используется следующая однотрубная схема.
Alt = Однотрубная схема отопления с настенным котлом
Ключевым отличием от схемы подключения, которая была представлена выше становится тот факт, что в данном случае тёплый пол будет подключен к линии подачи. В результате теплоноситель будет подаваться в контур с той же температурой, что и в радиаторы, поэтому необходимо установить термоконтроль, чтобы не допустить перегрева. Использования только байпаса будет недостаточно.
Как подключить теплый пол к газовому котлу отопления в двухтрубной системе
Alt = Двухтрубная схема отопления
Двухтрубная система отопления представляет собой схему, в которой трубы подачи и обратки выполняются отдельно. Важно учитывать, что при её использовании будет наблюдаться разница температур между первым и последним в цепи радиатором. Подключение коллектора теплого пола к котлу по такой схеме больше подходит для двухэтажных строений.
Как подключить теплый пол к котлу в квартире
Alt = Схема индивидуального отопления с тёплым полом для квартиры
Сам факт использования водяного тёплого пола в квартире в большинстве случаев проблематичен, но возможен, поэтому стоит рассмотреть и эту схему подключения. В простейшем варианте такой схемы предусматривается наличие распределительного коллектора, смесительного узла и циркуляционного насоса, термостатического клапана, запорной арматуры. В данном случае отопление в квартире полностью реализовано через тёплый пол. Проблемой в данном случае может стать систематический перегрев. Именно поэтому в схеме предусмотрена регулировка температуры.
Подключение теплого пола к двухконтурному котлу
При использовании в системе отопления двухконтурного котла задача терморегуляции и поддержания оптимальной температуры в контуре тёплого пола существенно упрощается. В этом случае оптимальным решением становится подключение системы к линии горячего водоснабжения, которая изначально соответствует требованиям по всем параметрам.
Как правило, каждая из схем подключения вызывает множество дополнительных вопросов, которые связаны в первую очередь с необходимостью учёта конкретных условий монтажа и системы отопления на объекте. Именно поэтому для начала лучше проконсультироваться с опытным специалистом в Москве, чтобы определиться с лучшим вариантом схемы подключения тёплого пола через насосный узел к двухконтурному котлу или его одноконтурному аналогу. Обращайтесь, ваши сомнения будут разрешены.
Что такое водяной теплый пол
Водяной теплый пол — низкотемпературная система отопления, где теплоноситель подается с температурой 35-45оС, по нормам не выше 55 оС. Кроме того, теплый пол это отдельный циркуляционный контур, которому необходим отдельный циркуляционный насос.
У теплого пола есть ограничения по температуре поверхности пола — 26-31оС. Максимальный перепад температуры между разводкой подачи и обратки теплого водяного пола допускается не более 10оС. Максимальная скорость протока теплоносителя составляет 0,6 м/с.
Схема 1. Соединение теплого пола напрямую от котла
Данная схема подключения водяного теплого пола имеет теплогенератор, арматуру безопасности с насосом. Теплоноситель непосредственно от котла поступает в распределительный коллектор теплого пола и затем расходится по петлям и реверсирует обратно в котел. Котел должен быть настроен на температуру теплого пола.
При этом возникают два нюанса:
- Желательно использовать в монтаже конденсационный котел, т.к. низкотемпературный режим для него оптимален. В этом режиме у конденсационного котла максимальный кпд. У обычного котла при работе в низкотемпературном режиме очень быстро выйдет из строя теплообменник. Если котел твердотопливный, то необходима буферная емкость для коррекции температуры, так как данный котел сложно поддается температурной регулировке.
- Хороший вариант для теплого пола — это когда он подключен к тепловому насосу.
Схема 2. Монтаж теплого пола от трехходового клапана
схема трехходового термостатического клапана
В большинстве случаев при такой схеме монтажа и подключения водяного теплого пола мы имеем комбинированную систему отопления, здесь находятся радиаторы отопления с температурой 70-80оС и контур теплого пола с температурой 40оС. Встает вопрос, как из этих восьмидесяти сделать сорок.
Для этого применяется трехходовой термостатический клапан. Клапан устанавливается на подаче, после него обязательно устанавливается циркуляционный насос. С обратки теплого пола производится подмешивание остывшего теплоносителя к теплоносителю, который получаем из котлового контура и который в дальнейшем с помощью трехходового клапана понижается до ходовой температуры.
Минус такой схемы разводки теплого пола в невозможности дозировать пропорциональность подмеса остывшего теплоносителя горячему и в теплый пол может поступать недогретый или перегретый теплоноситель. Это снижает комфорт и эффективность системы.
Достоинством такой схемы является простота монтажа и невысокая стоимость оборудования.
Данная схема больше подходит для отопления небольших площадей и там, где нет высоких требований заказчика к комфорту и эффективности, где есть желание сэкономить.
В реальной жизни схема встречается крайне редко по причине нестабильности работы радиаторов, подключенной к единой трубе. При приоткрывании трехходового вентиля подпитывается греющий контур, а давление помпы передается в основную магистраль.
Пример реализации:
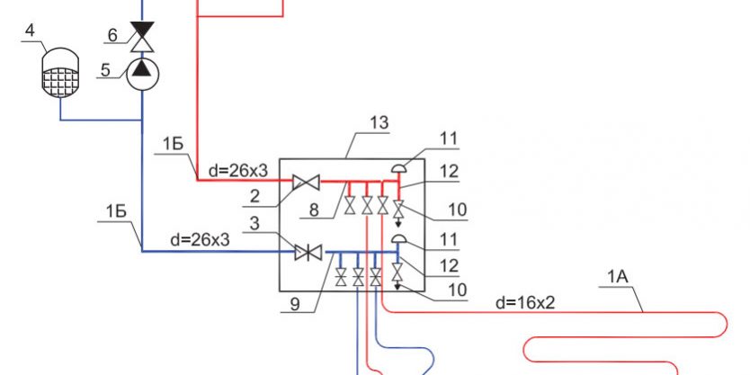
Схема 3. Разводка теплого пола от насосно-смесительного узла
модуль подмеса
Это смешанная схема подключения водяного теплого пола, где есть зона радиаторного отопления, теплый пол и применяется насосно-смесительный узел. Происходит подмешивание остывшего теплоносителя с обратки теплого пола к котловому.
У всех смесительных узлов присутствует балансировочный клапан, с помощью которого можно дозировать количество остывшего теплоносителя при подмесе к горячему. Это позволяет добиться четко заданной температуры теплоносителя на выходе из узла, т.е. на входе в петли теплого пола. Так существенно повышается потребительский комфорт и эффективность системы в целом.
В зависимости от модели узла, в его состав могут входить другие полезные элементы: байпас с перепускным клапаном, балансировочный клапан первичного котлового контура или шаровые краны с двух сторон от циркуляционного насоса.
Схема 4. Подключение теплого пола от радиатора
Это специальные комплекты, предназначенные для подключения одной петли теплого пола на площадь 15-20 кв.м. Выглядят как пластиковая коробка, внутри которой в зависимости от производителя и комплектации, могут находиться ограничители по температуре теплоносителя, ограничители температуры воздуха в помещении и воздухоотводчик.
Теплоноситель поступает в петлю подключенного водяного теплого пола прямо из высокотемпературного контура, т.е. с температурой 70-80оС, остывает в петле до заданной величины и заходит новая партия горячего теплоносителя. Дополнительный насос здесь не требуется, должен справляться котловой.
Недостатком является низкий комфорт. Зоны перегрева будут присутствовать.
Достоинство данной схемы подключения водяного теплого пола в легкой установке. Применяются подобные комплекты, когда малая площадь теплого пола, малое помещение с нечастым пребыванием жильцов. Не рекомендуется устанавливать в спальнях. Подойдет для отопления санузлов, коридоров, лоджий, и т.д.
Подведем итог и сведем в таблицу:
|
Вид подключения |
Комфорт |
Эффективность |
Монтаж и настройка |
Надежность |
Цена |
|
Обычный газовый,ТТ или дизельный |
± |
± |
+ |
± |
+ |
|
Конденсационный котел или тепловой насос |
+ |
+ |
+ |
± |
— |
|
Трехходовой термостатический клапан |
± |
± |
+ |
+ |
± |
|
Насосно-смесительный узел |
+ |
+ |
± |
+ |
— |
|
Термомонтажный комплект |
— |
± |
+ |
+ |
+ |
Мастера-сантехники и эксперты по теплогазоснабжению рекомендуют избегать схем подключения водяного теплого пола к рабочим ветвям отопления. Греющие контуры теплового пола лучше запитывать прямо на котел, чтобы обогрев пола мог функционировать независимо от батарей, особенно в летнее время.
Схемы укладки водяного теплого пола
Способы раскладки трубы теплого пола
Существуют три основных способа укладки водяного теплого пола: змейка, спираль (улитка) и комбинация этих вариантов. Чаще всего теплый пол монтируют улиткой, в некоторых местах используют змейку.
Схема монтажа «Улитка»
Укладка теплого улиткой позволяет более равномерно распределять тепло по всему помещению. При такой разводке труба монтируется по кругу к центру, затем от центра «разворачивается» по кругу в обратном направлении.
При раскладке теплого пола улиткой нужно закладывать отступ для раскладки трубы в обратном направлении.
Укладка теплого пола змейкой
При такой укладке труба теплого пола монтируется в одном направлении и при окончании раскладки контура просто возвращается в обратку коллектора. При таком устройстве в начале контура температура теплоносителя горячее, в конце холоднее. Поэтому раскладку змейкой используют довольно редко.
Расчет теплого пола
Перед подключением теплого пола по разработанной схеме, необходимо сделать его предварительный расчет. Грубый расчет Вы можете сделать самостоятельно по следующим шагам:
- Определите место расположения коллектора. Чаще всего его монтируют в центре этажа.
- Попробуйте схематично изобразить разводку труб теплого пола, соблюдая следующую информацию: при шаге 15 см на квадратный метр трубы тратится 6,5 метров трубы, длина трубы не должна превышать 100 метров, контура все должны быть примерно одинаковыми.
- Определяемся с метражом всех контуров и в целом можно приступать к монтажу.
Так же не забудьте сделать тепловые расчеты здания. В интернете есть множество готовых калькуляторов. Если теплопотери в помещении не превышают 100 Вт на метр квадратный, то теплый пол у вас не потребует дополнительных приборов отопления.
Монтаж теплого пола
Как определись со схемой укладки и подключения водяного пола, нужно приступать к монтажу.
- Подготовьте основание теплого пола. Оно должны быть ровным с минимальным перепадом высот.
- Уложите гидроизоляцию, если того требуют местные нормативы
- Уложите полистирол толщиной 10 см на первом этаже и 5 см на последующих.
- Постелите полиэтилен, чтобы меньше стяжки соприкасалось с изоляцией
- Если способом крепления у Вас является армирующая сетка, то уложите ее на полиэтилен
- Раскладывайте трубу теплого пола согласно утвержденной схеме
- Опрессуйте систему
- Заливайте стяжку
Теги: водяной теплый пол, схемы отопления, теплый пол своими руками
Коллектор на вид – это обычный кусочек трубы с несколькими отверстиями с одной стороны, служащими выходами. Пара таких простеньких конструкций фактически отвечает за управление водяным теплым полом. Давайте разберемся,для чего необходимы эти выходы и как выполнить подключение коллектора теплого пола.
Как работает коллектор
Водяные полы укладывают различными способами, к примеру, бетонным или настильным, но независимо от выбранной технологии необходимо приобрести и установить шкаф коллекторный.
На заметкуКоллекторный ящик рекомендуют устанавливать на стене по возможности ближе к середине и чаще всего у самого пола.
В него в дальнейшем будут заводить две трубы:
- возвратную, которая выполняет абсолютно противоположную роль: она служит для сбора уже отработавшей и успевшей остыть воды. Ее возвращают обратно в котел, и процесс вновь повторяется.
Цикличность процесса обеспечивает другой встроенный компонент системы – циркуляционный насос. Так или иначе, в процессе эксплуатации теплого пола, скажем при ремонтных работах, приходится систему отключать. Для этого каждую из труб оснащают запорными вентилями. Трубу из пластика и запорный вентиль из металла соединяют друг с другом через компрессионный фитинг. Затем к вентилю подсоединяют гребень, монтируя с одного края воздухоотводчик, а с другого – сливной кран. После сборки шкафа переходят непосредственно к монтажу. И только уже имея установленный на стену гребень можно подрезать трубы контура по длине.
На заметкуЧтобы обеспечить герметичность соединения трубы подрезают строго под прямым углом.
Упрощенная схема коллектора теплого пола
Простейшая схема гребенки состоит из двух контуров. Для изготовления распределительной системы используют латунь или нержавеющую сталь – два материала с высокой устойчивостью к агрессивному воздействию горячей воды. Гребенка должна быть расположена на стене строго вертикально, чтобы обеспечить эффективность работы всех составляющих и позволить равномерно распределять теплоноситель.
Запорные клапаны, установленные в каждом контуре, могут иметь ручную или автоматическую систему открывания с использованием электромеханических приводов. В рассматриваемой нами системе, как правило, используют ручные.
С помощью этих клапанов, один из которых установлен на входе, а другой – на выходе, регулируют подачу горячей воды. Для регулировки расхода жидкости между контурами, расположенными, скажем, в соседних помещениях, в возвратном гребне устанавливают так называемые балансировочные клапаны.
Нередко запорный механизм дополняют расходомерами, служащими в качестве индикатора потока теплоносителя. Благодаря им можно корректировать каждый контур системы, так как расходомеры настраивают и измеряют объем теплоносителя для каждого из них раздельно. Это особенно важно для контуров с различной длиной труб. На возвратном гребне устанавливают термодатчики, которые необходимы для полного или частичного перекрытия системы. Делается это в автоматическом с использованием электрических сервоприводов или ручном режиме.
Как правило, при установке упрощенной системы своими руками проблем не возникает. При устройстве двухконтурного отопления, скажем, для обогрева ванной комнаты и туалета даже нет необходимости в дорогостоящем оборудовании. В зависимости от того, какие используются смесительные клапаны, схемы гребней усложняются
Смесительные клапаны
При подключении коллектора используют два типа смесительные клапаны: двух и трехходовых. Они предназначены для смешения жидкостей: горячей, которая поступает из котла и охлажденной, соответственно, из отопительного контура. Управляют ими в ручном или автоматическом режиме – требует дополнительной установки сервопривода или управляющего устройства.
Трехходовые используют, как правило, для коллекторов, предназначенных для обогрева больших помещений с площадью более 200 кв. м. В такие схемы также включают погодозависимые датчики, которые запрограммированы на определение требуемой температуры пола, исходя от внешних условий.
Двухходовые используют для помещений с меньшей площадью – меньше 200 м2. В подобной схеме температуру пола регулирует клапаном. При необходимости он сам добавляет горячую жидкость, поступающую из котла или, наоборот, воду из обработки. Если коллектор настроен правильно, то совершенно исключается перегрев пола. Схемы с двухходовым клапаном обеспечивают плавность и стабильность регулировки.
Есть еще немало других схем коллекторов и типов установки.
Управляющие элементы
Настройка коллектора теплого пола невозможна без специальных приборов. С их помощью устанавливается оптимальный режим нагрева системы, регулируются потоки воды в трубопроводах. Каждый из них выполняет определенную функцию.
- Датчик температуры воды
Устанавливаются на входных и выходных патрубках устройства. Эти приборы не влияют на работу системы, но указывают текущий показатель нагрева. Разница значений может быть полезна при подсчете эффективности работы. Также они служат индикатором нарушения режима нагрева.
- Центральный терморегулятор с сервомеханизмом и датчиком.
Он монтируется на приемный патрубок входного коллектора и подключается к обратной трубе с охлажденным теплоносителем. Датчик температуры помещается в корпусе гребенки. На корпусе терморегулятора есть поворотная ручка, с помощью которой устанавливается требуемый уровень температуры. От датчика в устройство поступают показания о степени нагрева воды. В зависимости от этого регулируются потоки холодного и горячего теплоносителя.
- Сервоприводы на патрубках входной гребенки
По принципу работы они полностью аналогичны терморегулятору, но с небольшими дополнениями. С их помощью регулируется объем потока воды для каждого контура водяного пола. В зависимости от модели это можно делать в ручном или автоматическом режимах. Для последнего применяются сервоприводы со встроенными датчиками температуры, которые могут подключаться к общему выносному терморегулятору.
- Расходометры
Необязательные для монтажа устройства, которые, впрочем, могут стать эффективными элементами для ручного управления работой водяного теплого пола. Они устанавливаются на патрубки обратного коллектора и представляют собой запорные механизмы со стеклянной колбой.
При повороте головки на корпусе шток в устройстве меняет свое положение. Это влияет на объем жидкости, проходящей через него. Для наглядности на поверхности расходометра нанесена шкала измерений, обозначающая скорость прохождения воды л/мин.
Правила подключения
В большинстве случаев приобретается готовый коллектор, в котором все элементы подобраны по техническим характеристикам. Если же есть опыт в сборке подобных конструкций, можно самостоятельно скомпоновать устройство. Как правильно подключить теплый пол, учесть параметры общей системы отопления и технические свойства гребенок? Для этого необходимо руководствоваться определенными правилами установки.
ВниманиеСначала составляется общая схема подключения, где указываются размеры труб, места их прокладки и соединения с отоплением. Обязательно рассчитывается проходная способность каждой из гребенок, подбирается их диаметр и материал изготовления. Чаще всего применяют изделия из нержавеющей стали или меди.
Месторасположение устройства выбирается исходя из следующих правил:
Обязательно устанавливается система защиты. Она состоит из воздушного клапана и байпаса. При резком повышении температуры воды происходит ее расширение. Воздушный клапан стравливает излишки воздуха, нормализируя давление в трубах. Байпас необходим для оперативного перекрытия воды при возникновении аварийных ситуаций.
По окончании установки коллектора к нему подключаются трубопроводы теплого пола. Обязательно проверяется качество стыков, их герметичность и надежность. Запуск системы выполняется до установки основного покрытия. Изменяя с помощью устройства управления температурные режимы, проверяется качество нагрева каждой магистрали, выполняется осмотр труб на наличие протечек. После этого можно приступать к установке напольного покрытия.
Настройка
Как правило, к схеме бывает приложена специальная таблица балансировки, на основе которой можно гребень соответственно двум параметрам: длина контура и отопительная нагрузка.
В таблице связаны номер контура и число оборотов от положения вентиля балансировки – «закрыт». Настраивают гребень так:
Правильная настройка и подключение коллектора необходимы для продолжительной эксплуатации и эффективной работы системы.
Эксплуатация
Схема коллектора теплого пола относительно проста. Но при его эксплуатации необходимо периодически проверять работоспособность отдельных элементов и всей системы в целом. Для этого рекомендуется составить график проверки оборудования и проведения профилактических работ такого характера:
- Контроль работоспособности элементов устройства.
- Проверка параметров теплоносителя в каждой из магистралей – скорость, температура. Для этого необходимо периодически снимать показания приборов управления.
- Контроль целостности подключения трубопроводов к гребенкам, отсутствие протечек и разгерметизации.
- Соблюдение температурного режима работы системы с помощью снятия данных с термометров.
Проводя эти несложные процедуры можно поддерживать бесперебойную работу всей системы и отдельных ее частей. Но главным условием является профессиональное подключение коллектора теплого пола. От правильности этого этапа монтажа зависит работоспособность устройства и его эксплуатационные качества.
© 2019 prestigpol.ru
Не говоря уже, если вы надумали устроить водяной теплый пол в квартире, дом которого имеет общую систему отопления. Если вас интересует именно последний момент, то данная статья вам не нужна, смело переходите по ссылке в статью «водяной теплый пол в квартире». Здесь же рассмотрим подключение тёплого пола к настенному и напольному котлу. Не зависимо газовый ли он или электрический. Если вас интересует подключение твердотопливного котла тогда читайте статью «как подключить теплый пол к твердотопливному котлу»
Подключение тёплого пола к настенному котлу (схема)
Современные настенные газовые котлы и многие электрические не самого бюджетного варианта уже оснащаются встроенным в них циркуляционным насосом, а некоторые еще и группой безопасности. Все они не зависимо от ценовой категории имеют функцию контролировать заданную температуру теплоносителя в ручном или автоматическом режиме. Поэтому сначала рассмотрим самый простой вариант подключения настенных котлов со встроенным циркуляционным насосом. Такой вариант подойдет тем владельцам, у которых площадь теплого пола в отапливаемом помещения не составляет более 150 М2, при условии отсутствия радиаторов отопления. Мощность циркуляционного насоса данного котла способна продавить указанную площадь, а при помощи системы контроля температурного режима работы котла, есть возможность регулировать температуру самого теплого пола.
Котел подключается непосредственно к самому коллектору. На коллекторе лишь непосредственно два запорных шаровых крана на подаче и обратке и регулировочные вентили, либо расходомеры на коллекторе для регулировки контуров теплого пола.
При такой схеме подключения в коллектор можно устанавливать сервоприводы, которые могут регулировать температуру каждого контура петли по отдельности. В таком случае в систему нужно встроить байпас с перепускным клапаном, опять же при отсутствии такового в самом котле. Байпас в системе со встроенными сервоприводами необходим для продолжения циркуляции теплоносителя, на случай закрывания всех сервоприводов одновременно. При отсутствии в настенном котле отопления группы безопасности, её также необходимо встроить в эту схему.
Группа безопасности
Данная схема подключения хоть и имеет место быть, но всё-таки она не настолько популярна, потому, как водяной теплый пол зачастую используется как дополнение к радиаторному отоплению. А так же использование котлов электрических или газовых, будь он настенный или напольный без встроенного циркуляционного насоса, вынуждает прибегнуть к другой, более популярной схеме подключения водяного теплого пола к котлу отопления. О чем речь пойдет ниже.
Подключение теплого пола к напольному котлу отопления (схема)
Как уже было сказано выше сюда мы и отнесем настенные котлы без встроенной принудительной системы для циркуляции теплоносителя. Напольные котлы отопления редко имеют в своей конструкции насос. Поэтому следующая схема относится больше к ним. Но и котлы, рассматриваемые в первом варианте, хорошо подойдут к такой системе.
Такая схема включает в себя выносной циркуляционный насос, трехходовой клапан, и другие элементы, которые включает в себя насосно-смесительный узел. В принципе, имея уже собранный данный узел с коллектором, вам остается лишь включить в данную схему группу безопасности и расширительный бачок, если он отсутствует в самом котле. О том, как собрать коллектор со смесительным узлом своими руками мы рассматривали отдельно, поэтому здесь повторяться не будем.
Сама система теплого пола при данной схеме подключения получается как бы автономной, она имеет собственный круг циркуляции. Что дает возможность совмещать использование теплого пола с радиаторами отопления.
Технология подключения теплого пола к котлу
Все напольные, настенные, газовые, электрические котлы могут быть одноконтурные и двухконтурные. Что это значит? Котлы, имеющие в своей конструкции один контур, предназначены только для отопления. Двухконтурные же котлы используются, как для отопления, так и для горячего водоснабжения одновременно. Причем потоки теплоносителя и водоснабжения не смешиваются между собой.
На самом котле, если он одноконтурный имеются для выхода.
Один для выхода горячего теплоносителя, другой для входа остывшего, прошедшего весь путь через систему отопления, теплоносителя. Соответственно эти выхода необходимо правильно совместить с подающей и обратной гребенкой теплого пола. В двухконтурных котлах имеются четыре входных отверстия.
Два для отопления и два для горячего теплоснабжения. Поэтому при подключении этого типа котла, не перепутайте выхода. Да и в газовых котлах имеется еще дополнительный вход для газа, к которому подходит гофрированная нержавеющая труба от газоснабжения.
Выбор трубы для подключения котла осуществляется на ваше усмотрение. Имеется ввиду, что использование возможно любых. Медные, гофрированные, стальные, полипропиленовые подойдут. Существует лишь правило, что внутренний диаметр трубы не должен быть уже диаметра выходов на самом котле. Так же, если вы выбрали полипропиленовую трубу, используйте полипропилен для горячей воды, который армированный, иначе может случиться беда при первом же запуске отопительного котла.
Расширительный бак встраивается в систему на обратном контуре отопления и подпитывается от системы водоснабжения.
Это весь материал по подключении теплого водяного пола к котлу отопления. Сложности, как таковой в этом нет.
Используемые источники:
- https://domikelectrica.ru/sxemy-podklyucheniya-vodyanogo-teplogo-pola-k-sisteme-otopleniya/
- https://pol-hot.ru/podkljuchenie-teplogo-pola-k-kotlu-optimalnye-shemy-i-ih-osobennosti/
- https://eurosantehnik.ru/sxemy-podklyucheniya-vodyanogo-teplogo-pola.html
- http://prestigpol.ru/pravilnoe-podklyuchenie-kollektora-teplogo-pola/
- http://domotopil.ru/teplyi_pol/vodjanoj/podklyuchenie-pola-k-kotlu.html































