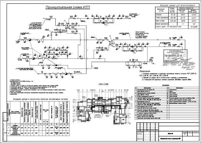
Как оборудуется узел теплового учета в многоквартирных домах?
<index>В любой здании, в том числе и в частном доме, присутствует несколько систем жизнеобеспечения. Одна из них – это отопительная система. В частных домах могут использоваться разные системы, которые выбираются в зависимости от размеров постройки, количества этажей, особенностей климата и других факторов. В данном материале мы подробно разберем, что представляет собой тепловой узел отопления, как…






